GM Service Manual Online
For 1990-2009 cars only
Makes
🢒
Cadillac
🢒
2000
🢒
Seville
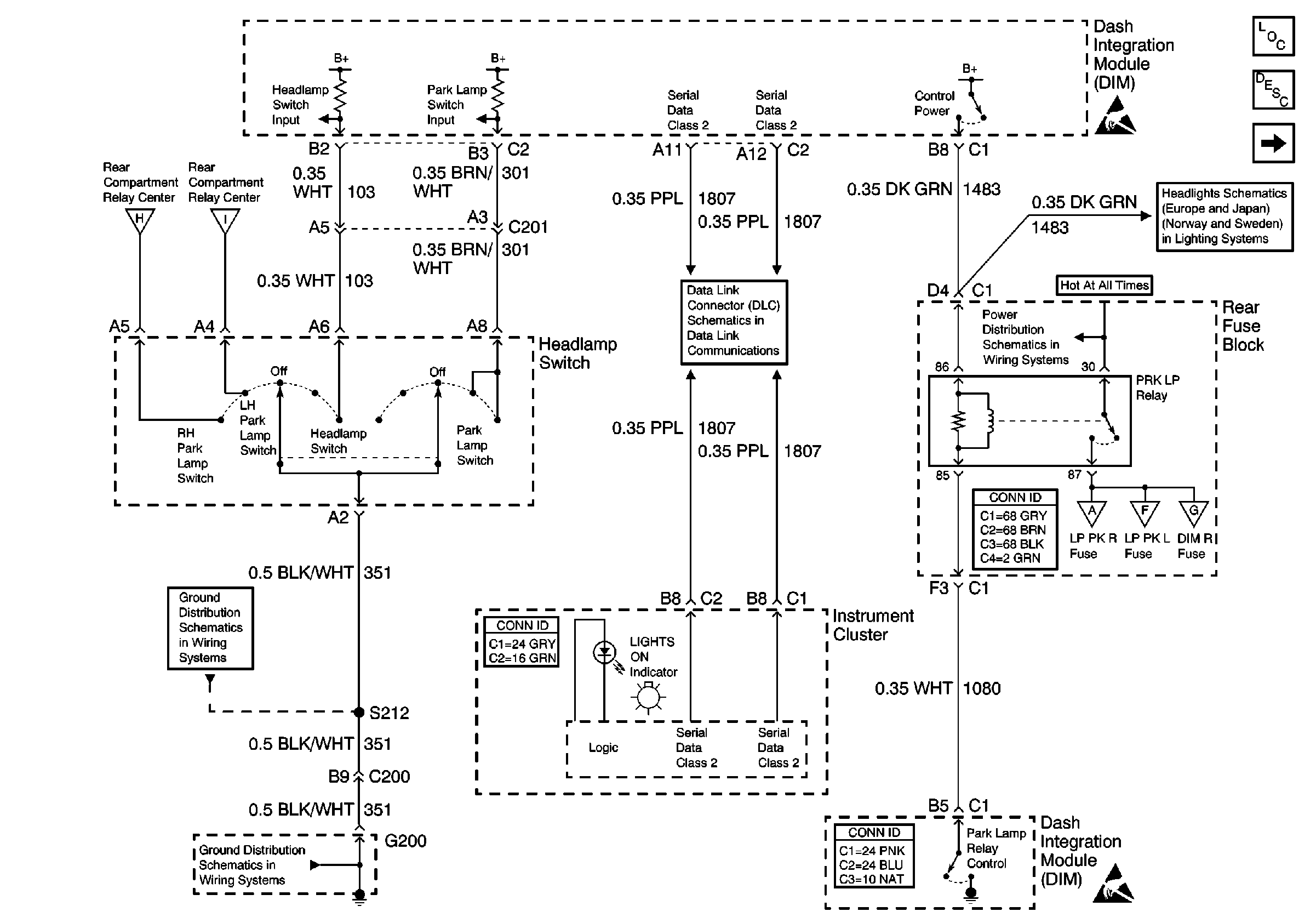
🢒 Headlamp Switch, PRK LP Relay
Headlamp Switch, PRK LP Relay
Headlamp Switch, PRK LP Relay
Lighting Systems Components
Exterior Lights Circuit Description
Hazard Switch Assembly
Class 2 Serial Data Line (LH Drive)
Handling ESD Sensitive Parts Notice
Position Lamps
Low Beam Headlamps
RH Exterior Lamps
LH Exterior Lamps
G200 1 of 2
G200 1 of 2
Handling ESD Sensitive Parts Notice
License, Underhood, and Cornering Lamps