GM Service Manual Online
For 1990-2009 cars only
Makes
🢒
Cadillac
🢒
2000
🢒
Seville
🢒 Generator Controls and Battery
Generator Controls and Battery
Generator Controls and Battery
Engine Electrical Components
Charging System Description
Starter Solenoid Control
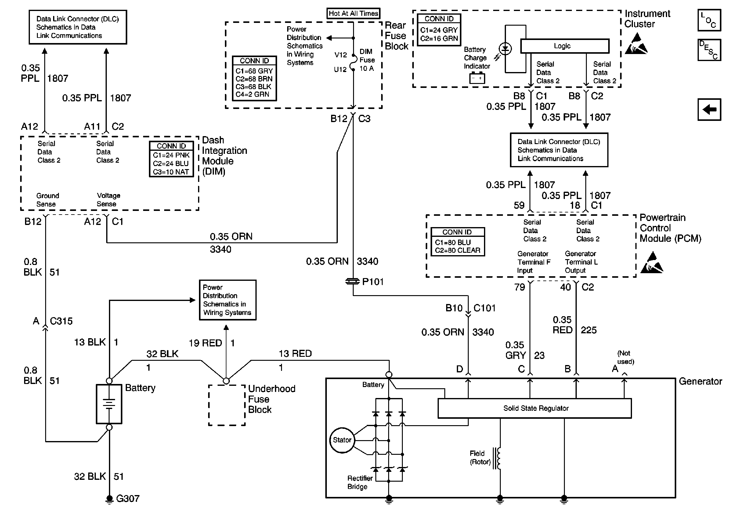
Class 2 Serial Data Line (LH Drive)
Class 2 Serial Data Line (LH Drive)
Battery Feeds
Handling ESD Sensitive Parts Notice
Audio, Audio Amp and DIM Fuses