GM Service Manual Online
For 1990-2009 cars only
Makes
🢒
Cadillac
🢒
2000
🢒
Seville
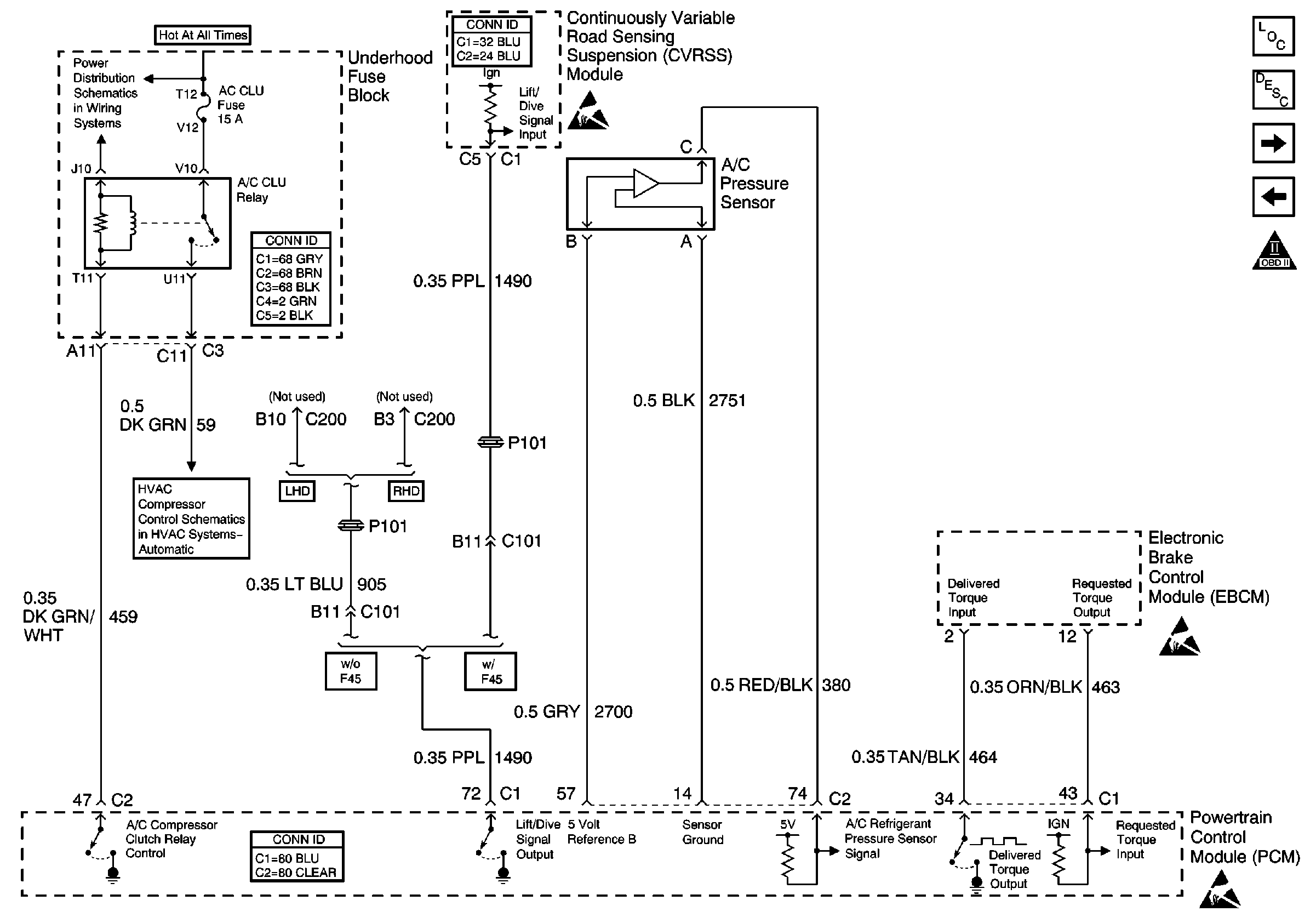
🢒 A/C Relay, A/C Pressure Sensor, CVRSS and EBCM
A/C Relay, A/C Pressure Sensor, CVRSS and EBCM
A/C Relay, A/C Pressure Sensor, CVRSS and EBCM
Engine Controls Components
OBD II Symbol Description Notice
Generator, PCM, Steering Pressure Switch and Oil Level Switch
Cruise Control Module
Handling ESD Sensitive Parts Notice
Handling ESD Sensitive Parts Notice
Handling ESD Sensitive Parts Notice
Compressor Controls
A/C CLU, FOG/DRL, INJR 1 and INJR 2 Fuses
Powertrain Control Module Controlled Air Conditioning