GM Service Manual Online
For 1990-2009 cars only
Makes
🢒
Cadillac
🢒
2000
🢒
Seville
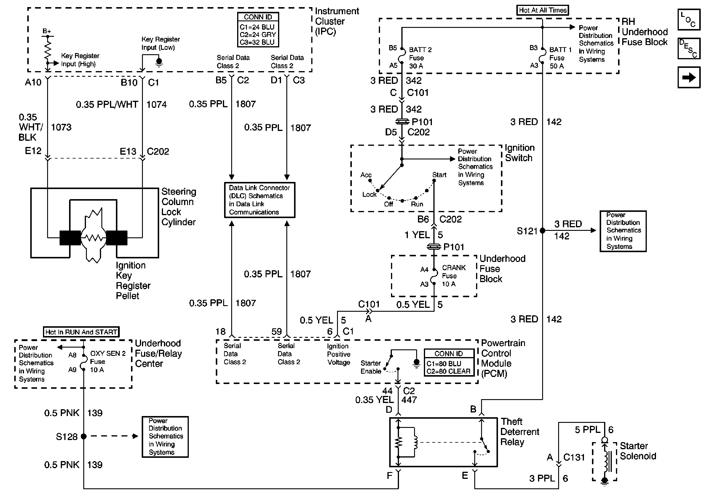
🢒 Pass-Key® II
Pass-Key® II
Pass-Key® II
IGN 1, COOL FANS, BATT 1, and BRAKES Fuses
OXY SEN 1, OXY SEN 2, FUEL PUMP, ECS Fuses and FUEL PUMP Relay
BATT 2 Fuse and Ignition Switch (2 of 2)
IGN 1, COOL FANS, BATT 1, and BRAKES Fuses
Battery Feeds
Theft Deterrent System Components
Vehicle Theft Deterrent (VTD) Description
Content Theft Deterrent (CTD)
Class 2 (2 of 2)
Power, Ground, and Class 2 (1 of 2)