GM Service Manual Online
For 1990-2009 cars only
Makes
🢒
Cadillac
🢒
2000
🢒
Seville
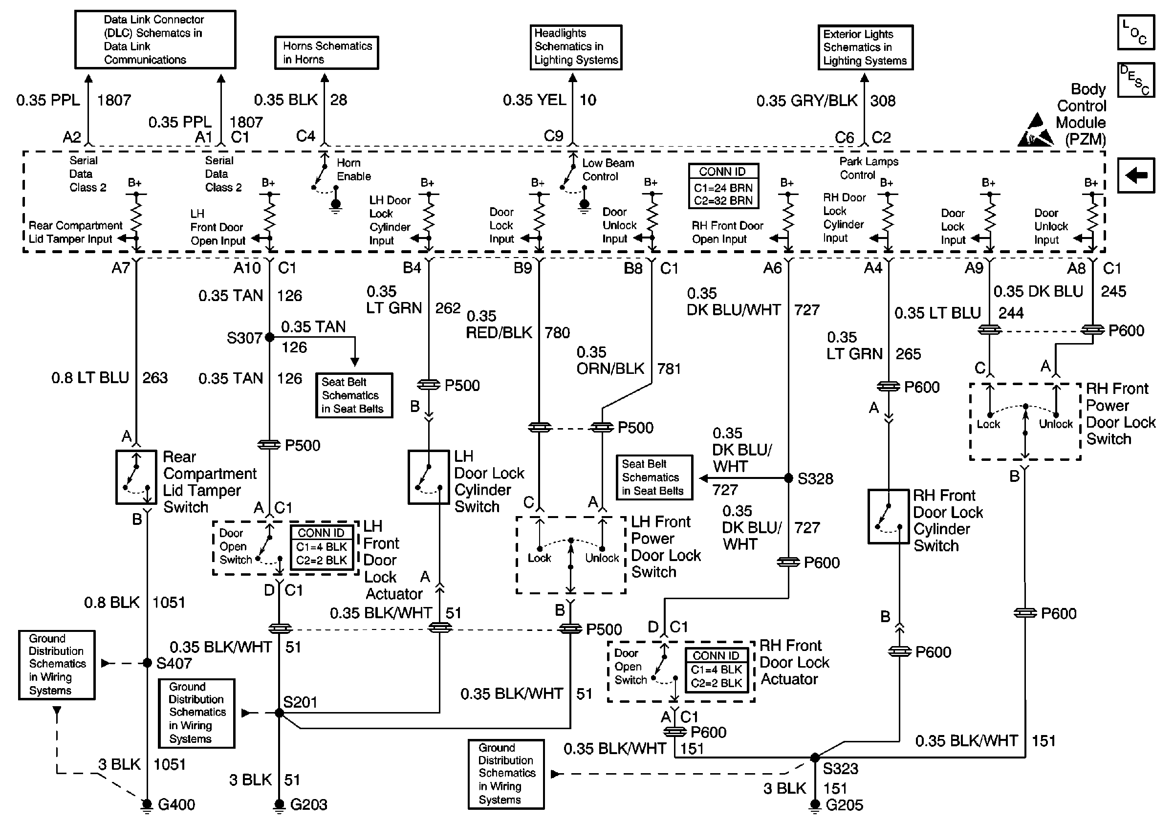
🢒 Content Theft Deterrent (CTD)
Content Theft Deterrent (CTD)
Content Theft Deterrent (CTD)
G400
G203
G205
Seat Belt Schematics
Seat Belt Schematics
Horn Schematics
Headlamp Switch and Headlamp Control
Headlamp Switch and Park Lamp Control
Handling ESD Sensitive Parts Notice
Theft Deterrent System Components
Content Theft Deterrent (CTD) Description
Pass-Key® II
Power, Ground, and Class 2 (1 of 2)