GM Service Manual Online
For 1990-2009 cars only
Makes
🢒
Cadillac
🢒
2000
🢒
Seville
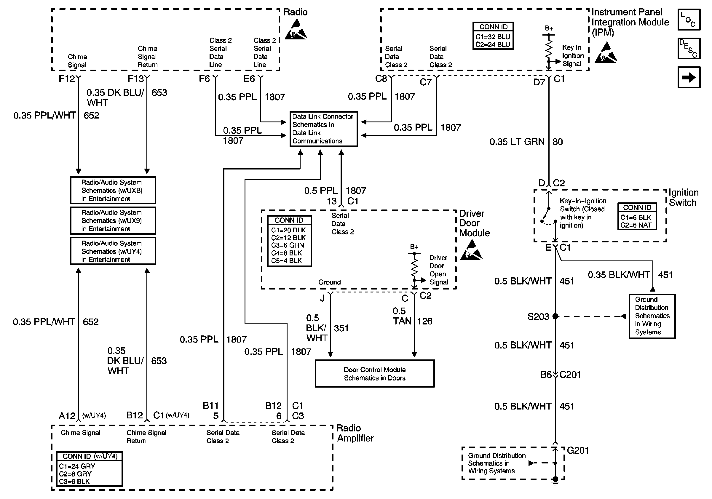
🢒 Radio Output, Door and Ignition Switches
Radio Output, Door and Ignition Switches
Radio Output, Door and Ignition Switches
Audible Warnings Components
Audible Warnings Circuit Description
Seat Belt and Headlamp Switches
Class 2 Serial Data Line (LH Drive)
Radio Amplifier (w/UX8)
Radio Amplifier (UX9)
Radio Amplifier (w/UY4)
DDM Power, Ground, Inputs, and Outputs
G201 (Partial)
G201 (Partial)
Handling ESD Sensitive Parts Notice
Handling ESD Sensitive Parts Notice