GM Service Manual Online
For 1990-2009 cars only
Figure 1:

Memory Function Switch


Object Number: 642310  Size: FS
Power, Ground, LH Seat Switch, and Memory Seat Module
Power Seat Component Views
Memory Seats Description and Operation
Rear Door Dimming
Class 2 Serial Data Line (LH Drive) (2 of 2)
Figure 2:

Power, Ground, LH Seat Switch, and Memory Seat Module


Object Number: 642311  Size: FS
Memory Function Switch
Front Height, Rear Height, Forward/Back Motors and Position Sensors
Power Seat Component Views
Memory Seats Description and Operation
PWR SEAT Circuit Breaker and CVRTD Fuse
Battery Feeds
Battery Feeds
MEM T/T, PWR T/T, and TSIG/HAZ Fuses
Left Adaptive Seat
G302 (LH Drive)
G302 (LH Drive)
Figure 3:

Front Height, Rear Height, Forward/Back Motors and Position Sensors


Object Number: 642312  Size: FS
Power, Ground, LH Seat Switch, and Memory Seat Module
Recline, Headrest Motors and Position Sensors; Class 2
Power Seat Component Views
Lumbar Switch, Lumbar Motors, Lumbar Position Sensors, and Memory Seat Module
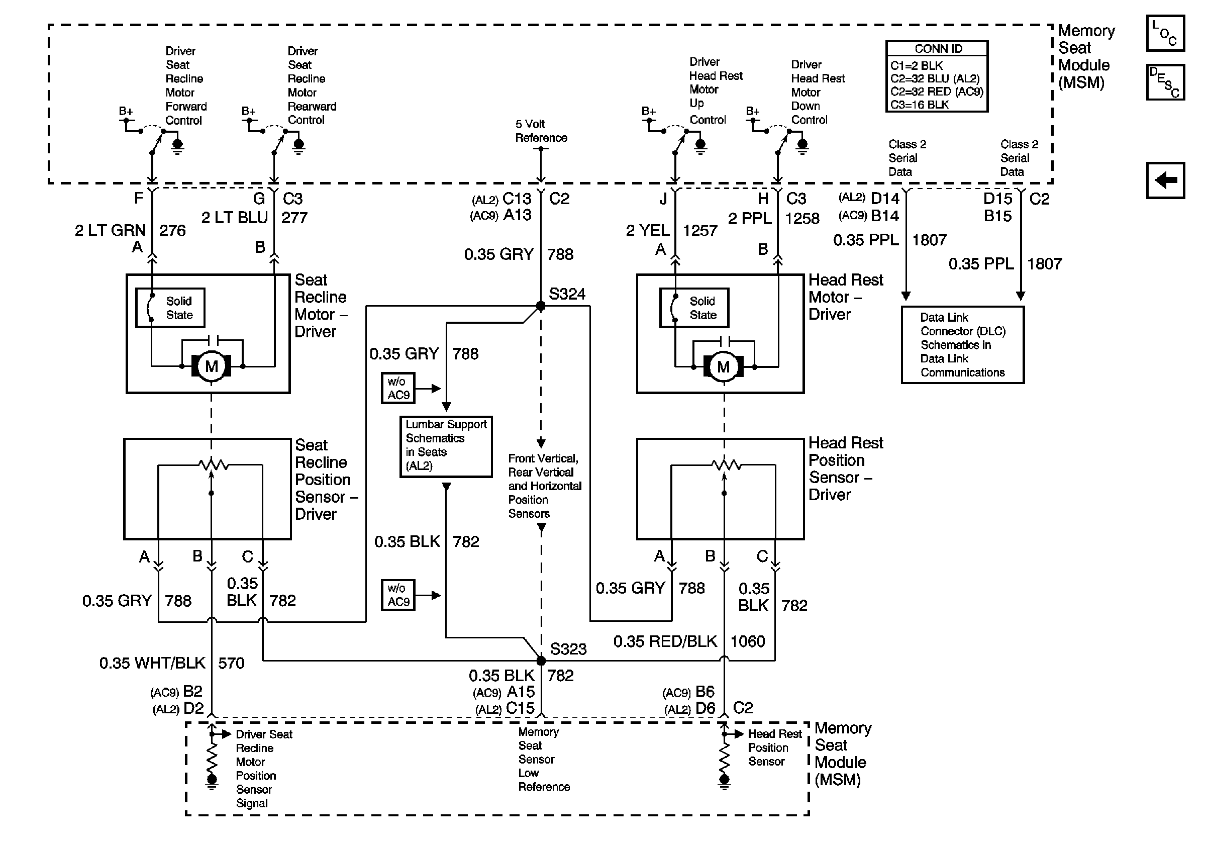
Figure 4:

Recline, Headrest Motors and Position Sensors; Class 2


Object Number: 642314  Size: FS
Front Height, Rear Height, Forward/Back Motors and Position Sensors
Power Seat Component Views
Memory Seats Description and Operation
Lumbar Switch, Lumbar Motors, Lumbar Position Sensors, and Memory Seat Module
Class 2 Serial Data Line (LH Drive) (2 of 2)