GM Service Manual Online
For 1990-2009 cars only
Makes
🢒
Cadillac
🢒
2001
🢒
Seville
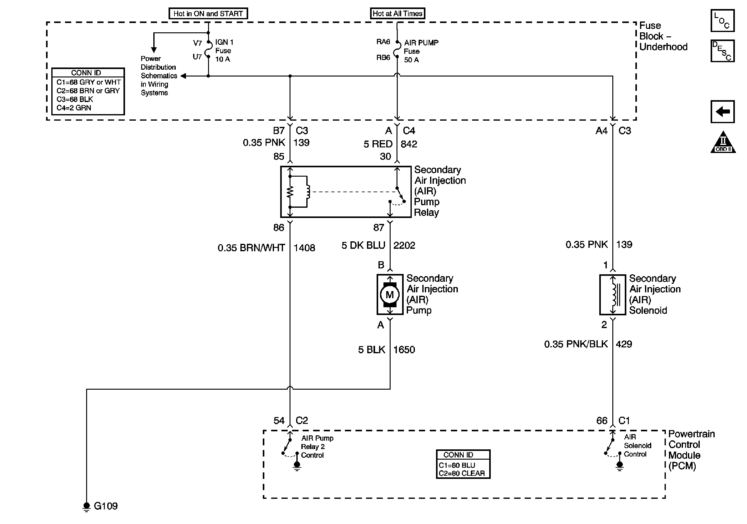
🢒 Secondary Air Injection (AIR) w/NB6 California Emissions
Secondary Air Injection (AIR) w/NB6 California Emissions
Secondary Air Injection (AIR) w/NB6 California Emissions
Ignition Control Module (ICM) Bank 2
Engine Controls Component Views
OBD II Symbol Description Notice
Secondary Air Injection System Description
Power to Underhood Fuse Block