GM Service Manual Online
For 1990-2009 cars only
Makes
🢒
Cadillac
🢒
2001
🢒
Seville
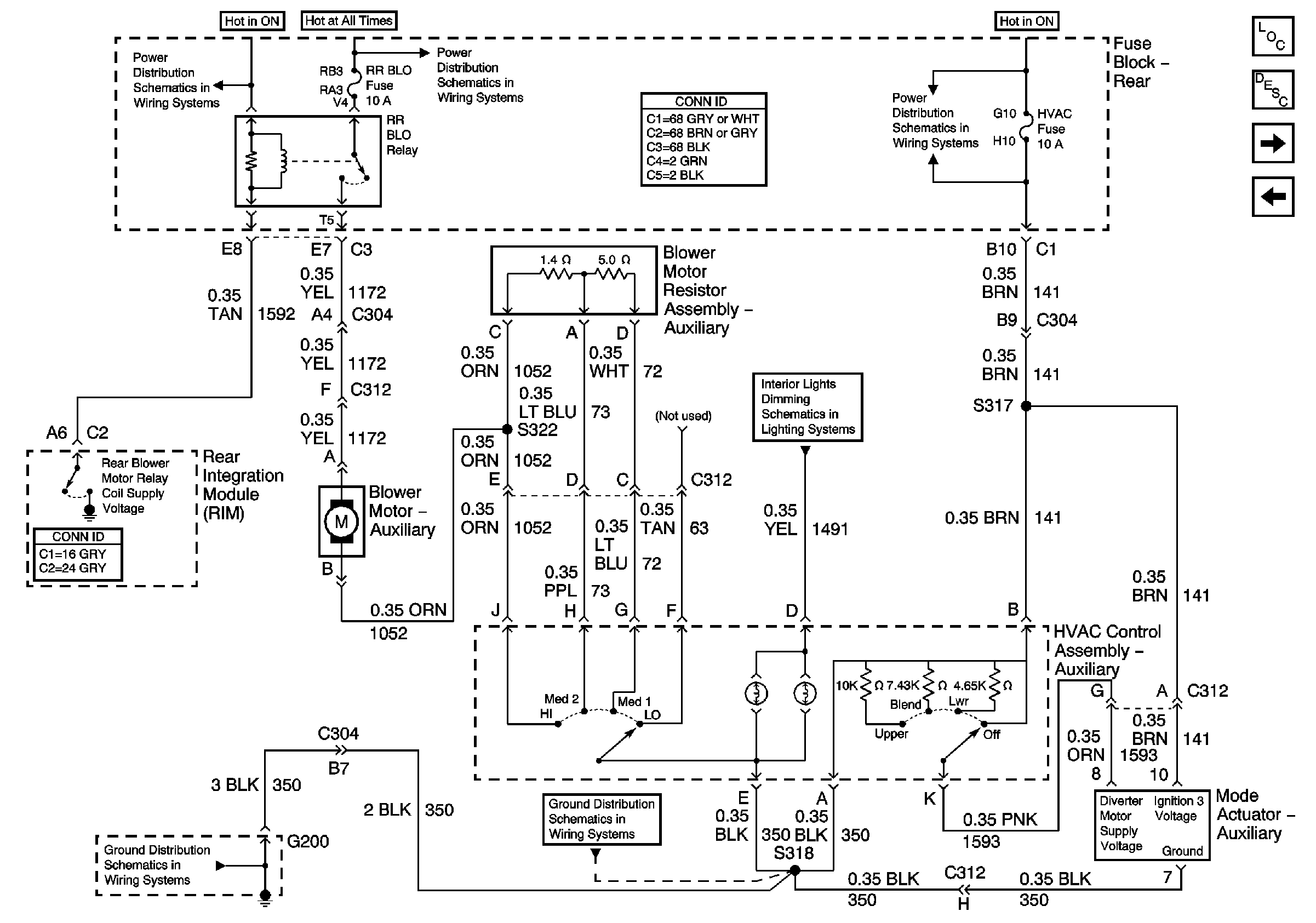
🢒 Blower Motor - Auxiliary
Blower Motor - Auxiliary
Rear Blower Motor Controls
Blower Motor - Front
A/C Compressor Clutch
HVAC Component Views
Power and Components
Ashtray Lamp and Steering Wheel Controls
Battery Feeds
G200 and G202
G200 and G202
Air Delivery Description and Operation