GM Service Manual Online
For 1990-2009 cars only
Makes
🢒
Cadillac
🢒
2001
🢒
Seville
🢒 A/C Compressor Clutch
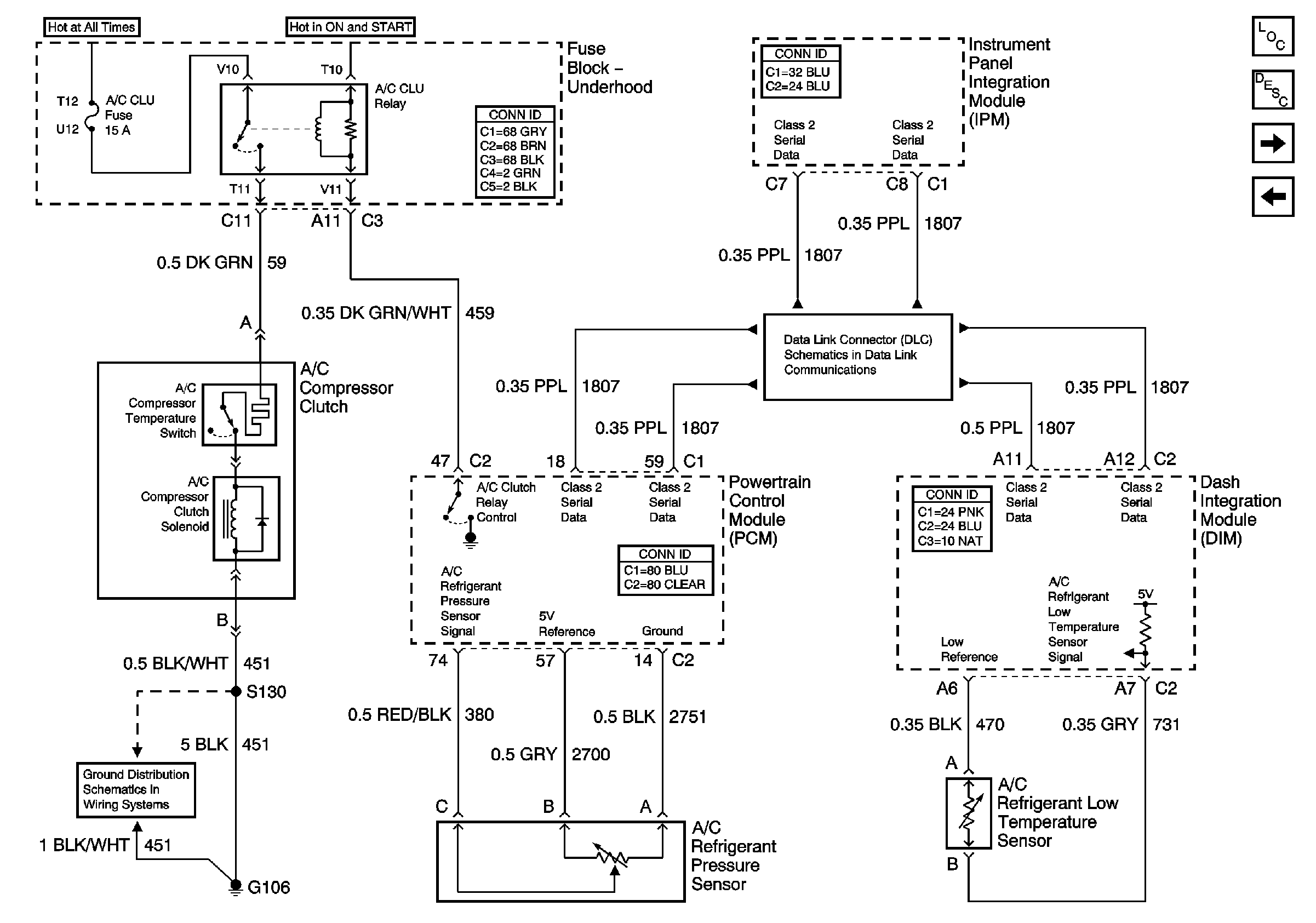
A/C Compressor Clutch
Power and Ground
Blower Motor - Auxiliary
Electric Actuators
HVAC Component Views
Class 2 Serial Data Line (LH Drive) (1 of 2)
G106 and G108
Air Temperature Description and Operation