GM Service Manual Online
For 1990-2009 cars only
Makes
🢒
Cadillac
🢒
2001
🢒
Seville
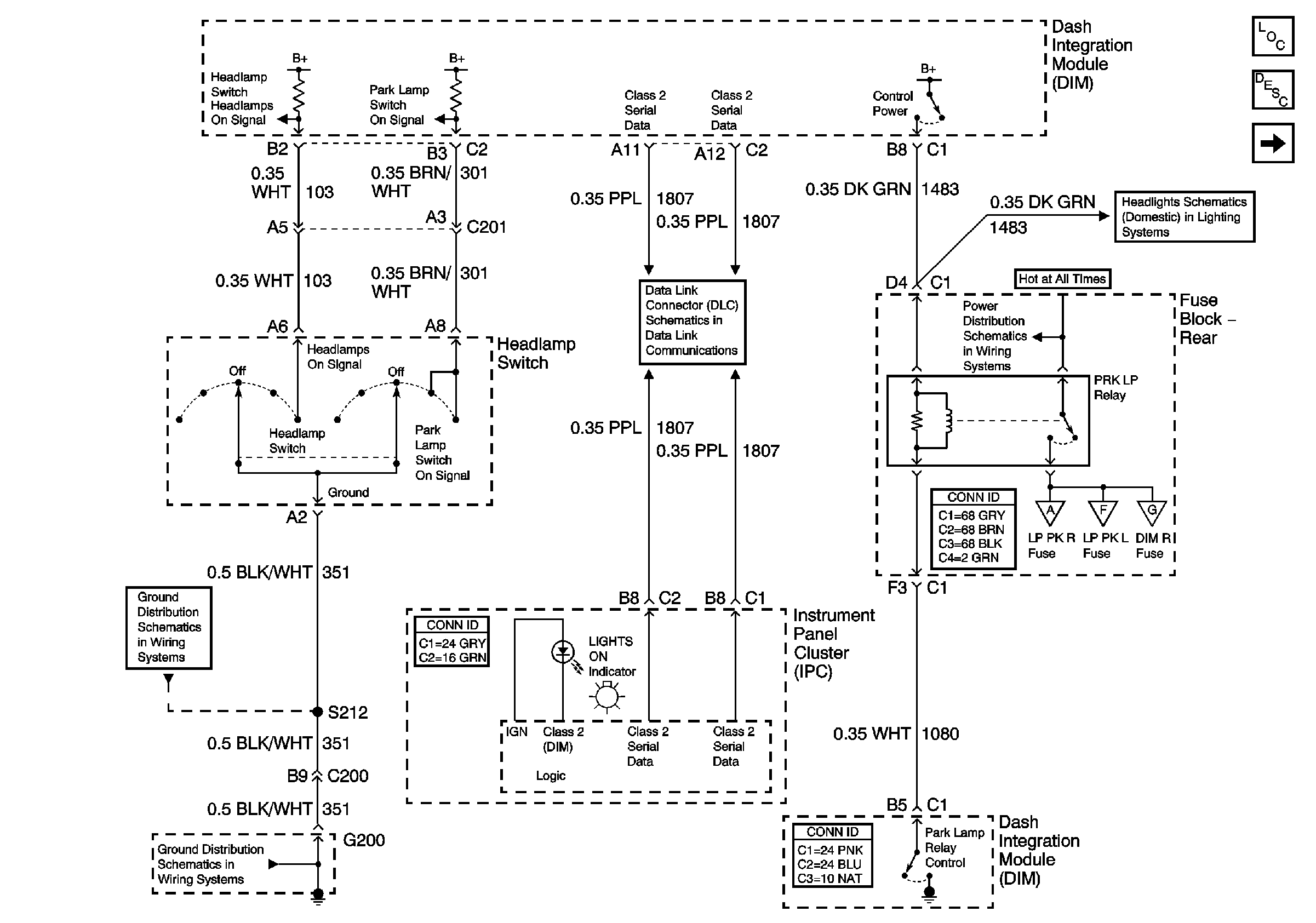
🢒 Park Lamp and Class 2
Park Lamp and Class 2
Park Lamp and Class 2
Hazard Switch
Lighting Systems Component Views
Exterior Lighting Systems Description and Operation
Class 2 Serial Data Line (LH Drive) (1 of 2)
Low Beam Headlamps
G200
G200
Right Exterior Lights
Left Exterior Lamps
License, Underhood, and Cornering Lamps