GM Service Manual Online
For 1990-2009 cars only
Makes
🢒
Cadillac
🢒
2001
🢒
Seville
🢒 Left Exterior Lamps
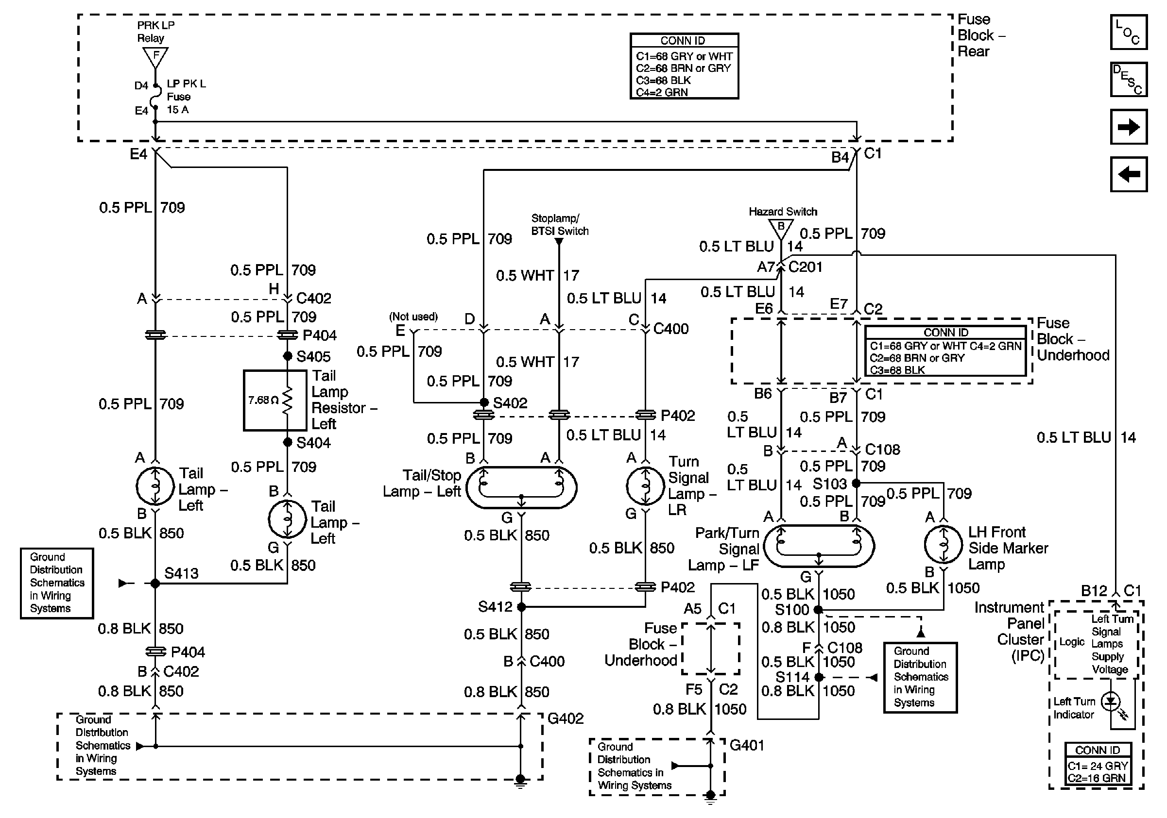
Left Exterior Lamps
Left Exterior Lamps
Right Exterior Lights
License, Underhood, and Cornering Lamps
Lighting Systems Component Views
Exterior Lighting Systems Description and Operation
Park Lamp and Class 2
Hazard Switch
G402 (2 of 2)
G402 (2 of 2)
G401 (3 of 3)
G401 (3 of 3)