GM Service Manual Online
For 1990-2009 cars only
Makes
🢒
Cadillac
🢒
2001
🢒
Seville
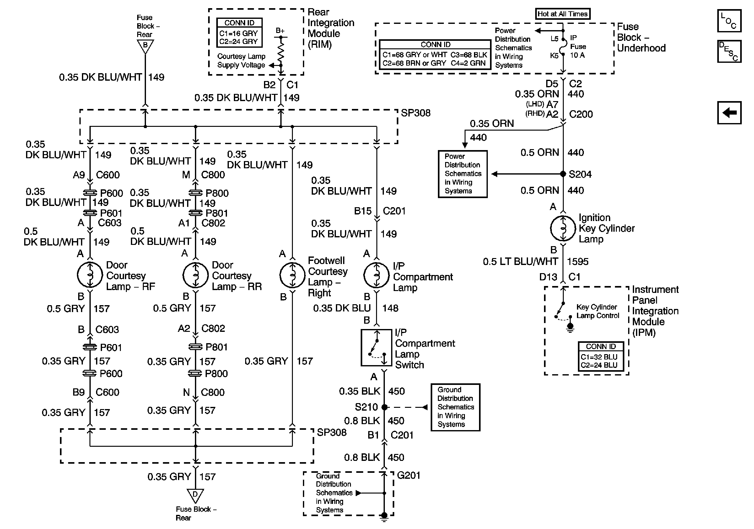
🢒 Right Courtesy, Compartment, and Ignition Key Cylinder Lamps
Right Courtesy, Compartment, and Ignition Key Cylinder Lamps
Right Courtesy, Compartment, and Ignition Key Cylinder Lamps
Vanity and Reading Lamps; Interior Lamp Switch
Lighting Systems Component Views
Interior Lighting Systems Description and Operation
Interior Lamp Relays
Power to Underhood Fuse Block
EXPORT BRK, PCM BATT, I/P, and ABS Fuses
Interior Lamp Relays
G201 (2 of 3)
G201 (2 of 3)