GM Service Manual Online
For 1990-2009 cars only
Makes
🢒
Cadillac
🢒
2004
🢒
Seville
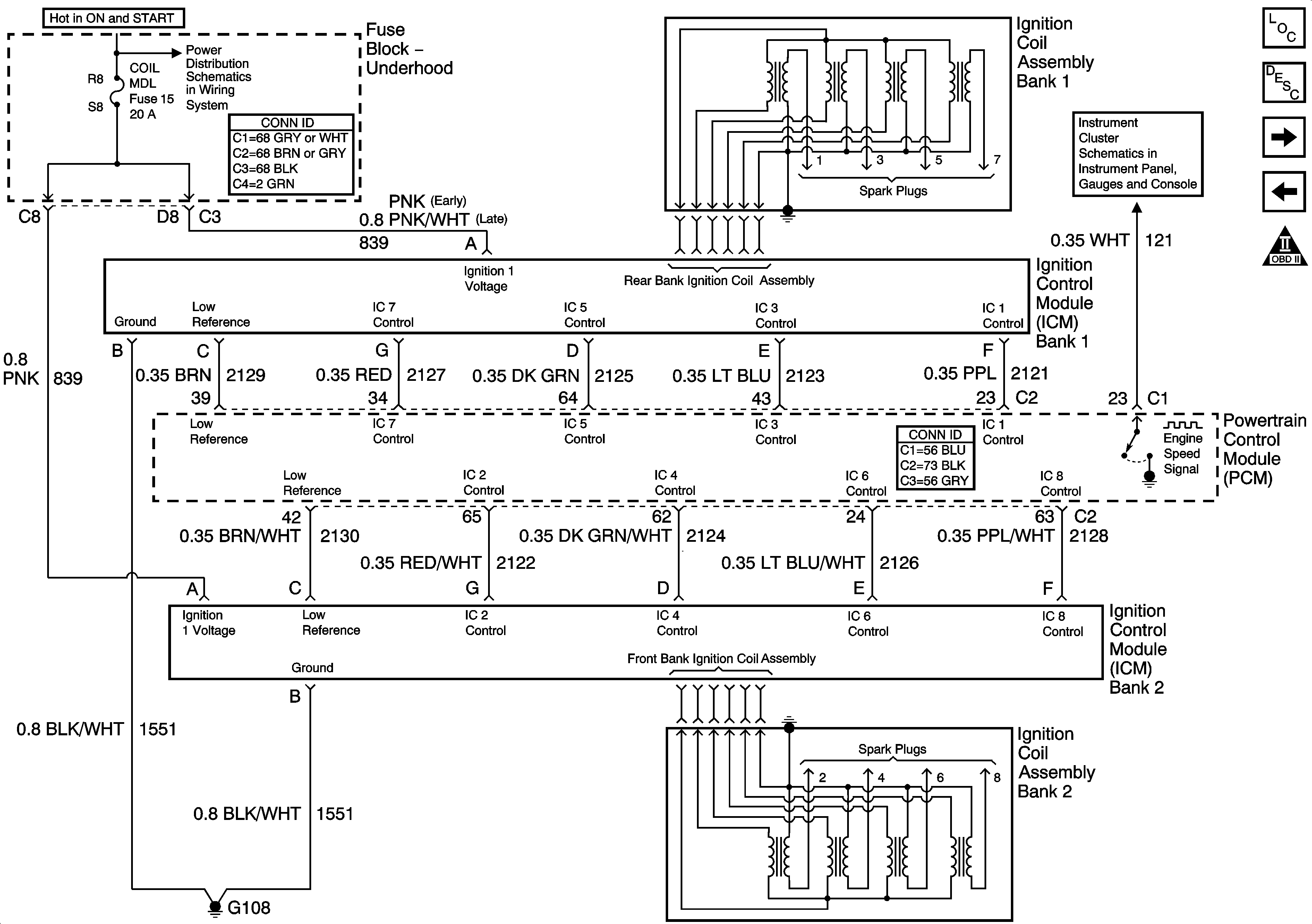
🢒 Engine Controls Schematics-Ignition Controls and Ignition Systems
Engine Controls Schematics-Ignition Controls and Ignition Systems
Ignition Controls -- Ignition System
Master Electrical Component List
Electronic Ignition (EI) System Description
Engine Controls Schematics-Ignition Controls Sensors
Engine Controls Schematics-Engine Data Sensors (HO2S)
OBD II Symbol Description Notice
Power Distribution Schematics-Battery Feed to Fuseblock Underhood
Instrument Cluster Schematics-PCM Signals