GM Service Manual Online
For 1990-2009 cars only
Makes
🢒
Cadillac
🢒
2005
🢒
XLR
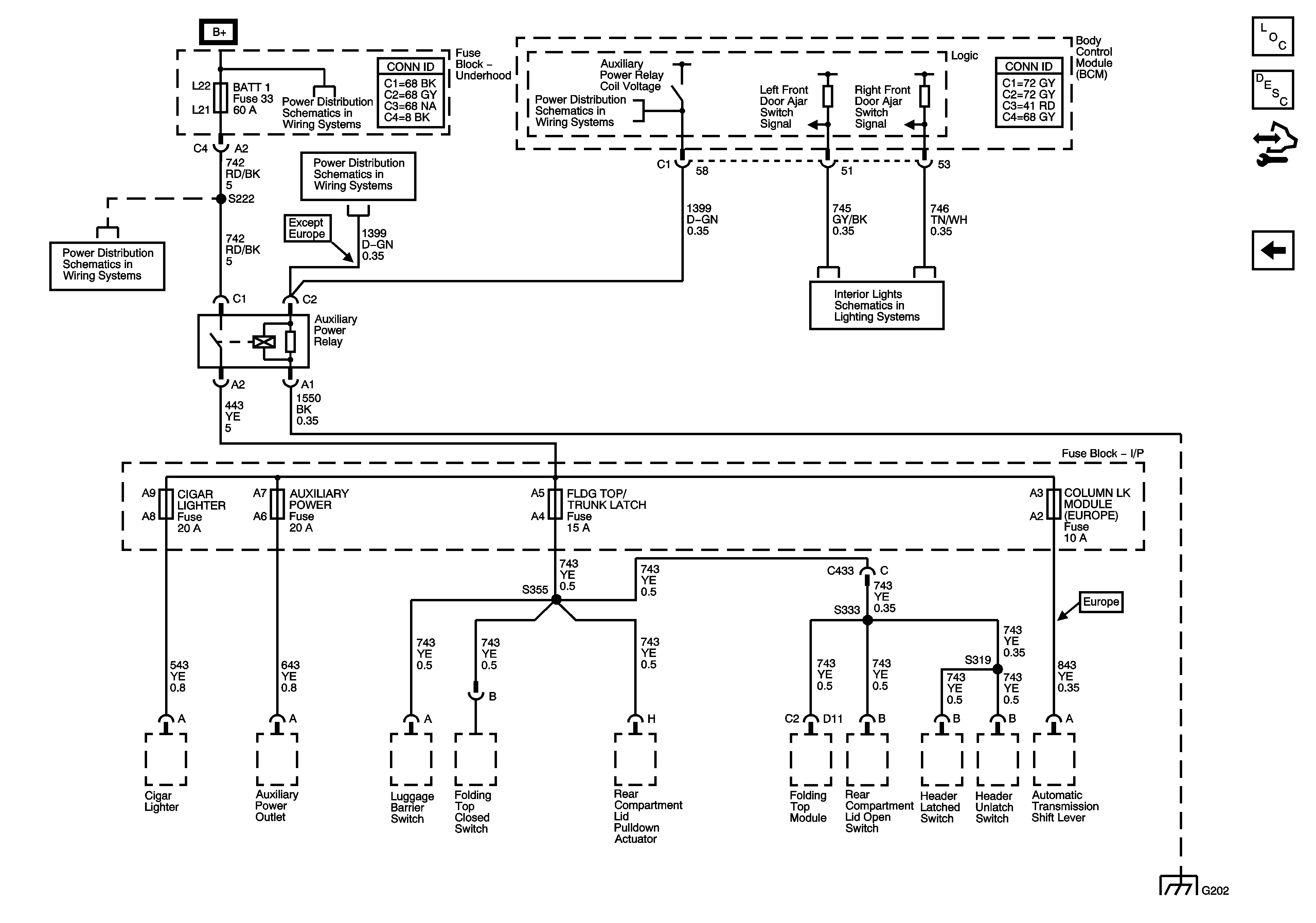
🢒 Auxiliary Power
Auxiliary Power
Auxiliary Power
Master Electrical Component List
Body Control System Description and Operation
Control Module References
Subsystem References
Fuse Block - Underhood Bussing
Ignition Modes
Fuse Block Underhood Fuses - BATT1, Fuse Block I/P Fuses - HEATED SEAT LH, HEATED SEAT RH, POWER LUMBAR LH/RH, Fuse Block I/P Circuit Breakers - Door Controls and Power Seats
Ignition Modes
Courtesy, Underhood, IP Compartment, Vanity Mirrors, Inside Rearview Mirror and Lamp Controls
G202 - 1 of 2