GM Service Manual Online
For 1990-2009 cars only
Makes
🢒
Cadillac
🢒
2005
🢒
XLR
🢒 Late Production
Late Production
Late Production
Master Electrical Component List
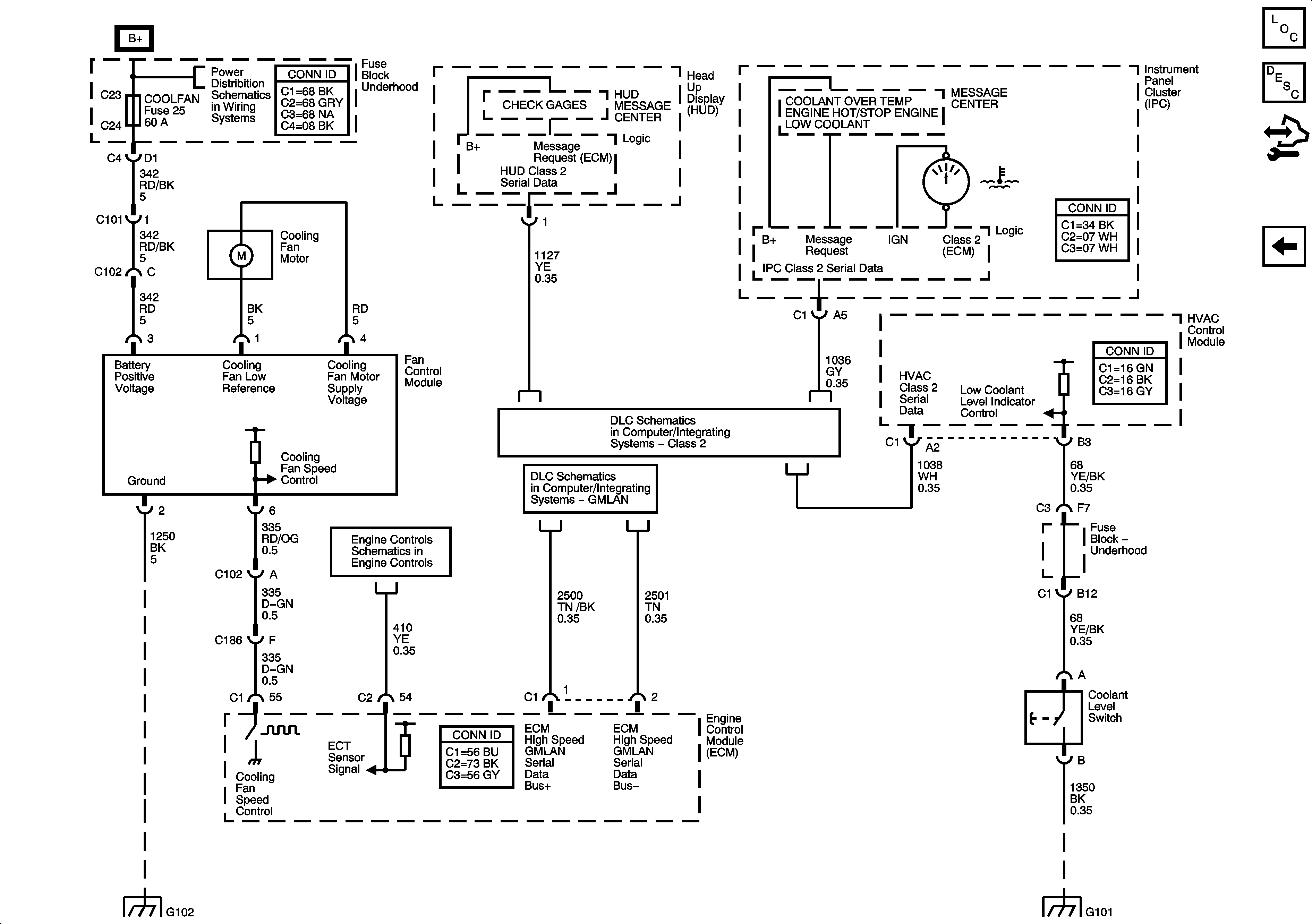
Cooling System Description and Operation
Control Module References
Early Production
Fuse Block Underhood Fuses - ABS, AMP, BATT2, COOL FAN, ECM/TCM/ HORN, HVAC and MRRTD
DLC - Class 2
GMLAN
Engine Data Sensors - Pressure, Temperature, MAF, VSS and Brake Travel
G102
G101