GM Service Manual Online
For 1990-2009 cars only
Makes
🢒
Cadillac
🢒
2007
🢒
XLR
🢒
Body Systems
🢒
Lighting
🢒 Headlights/Daytime Running Lights (DRL) Schematics
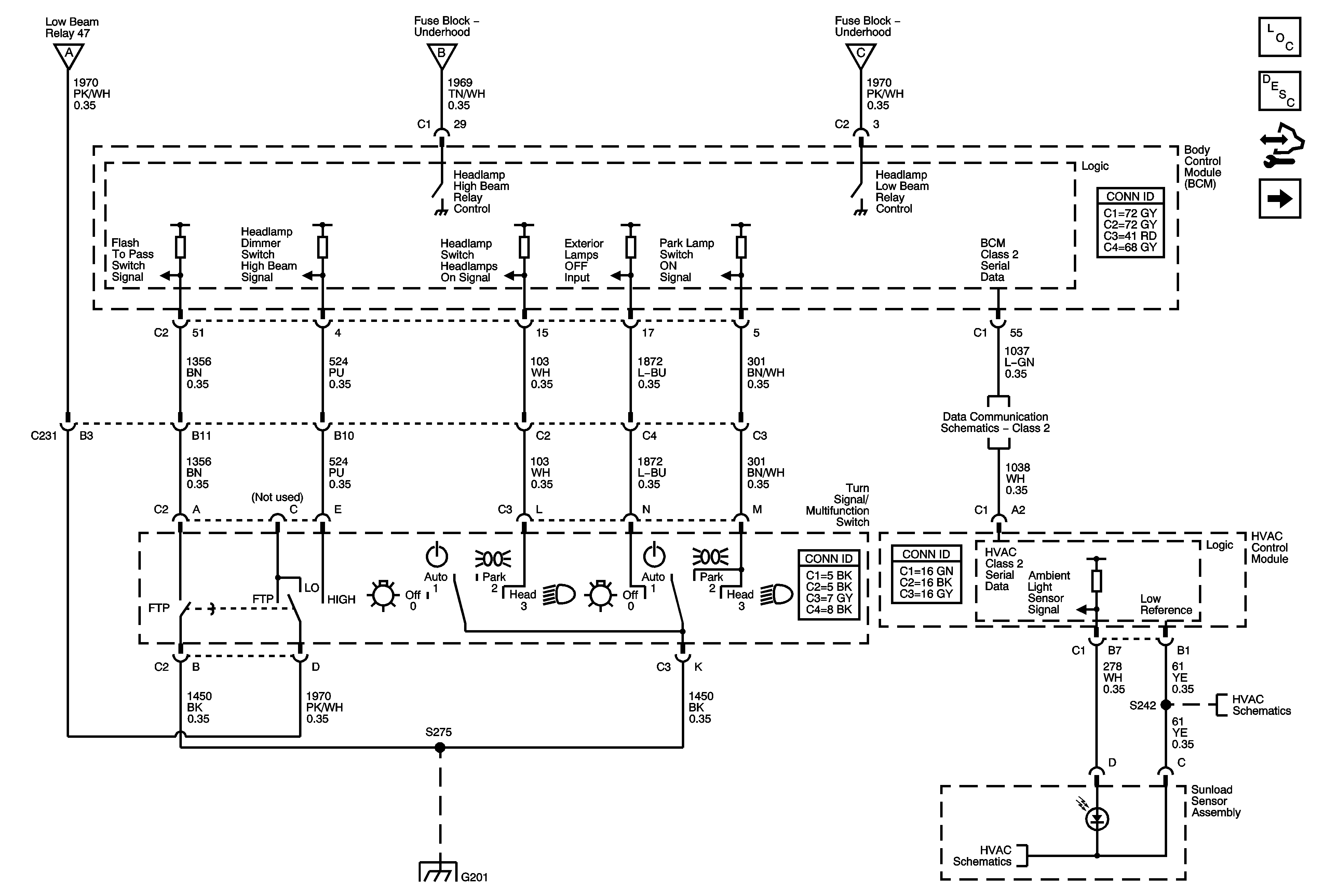
Figure
1:
Headlamp/DRL Controls
Master Electrical Component List
Exterior Lighting Systems Description and Operation
Control Module References
Headlamps
Headlamps
Headlamps
Headlamps
Class 2
G201
G201
Temperature Sensors
Temperature Sensors
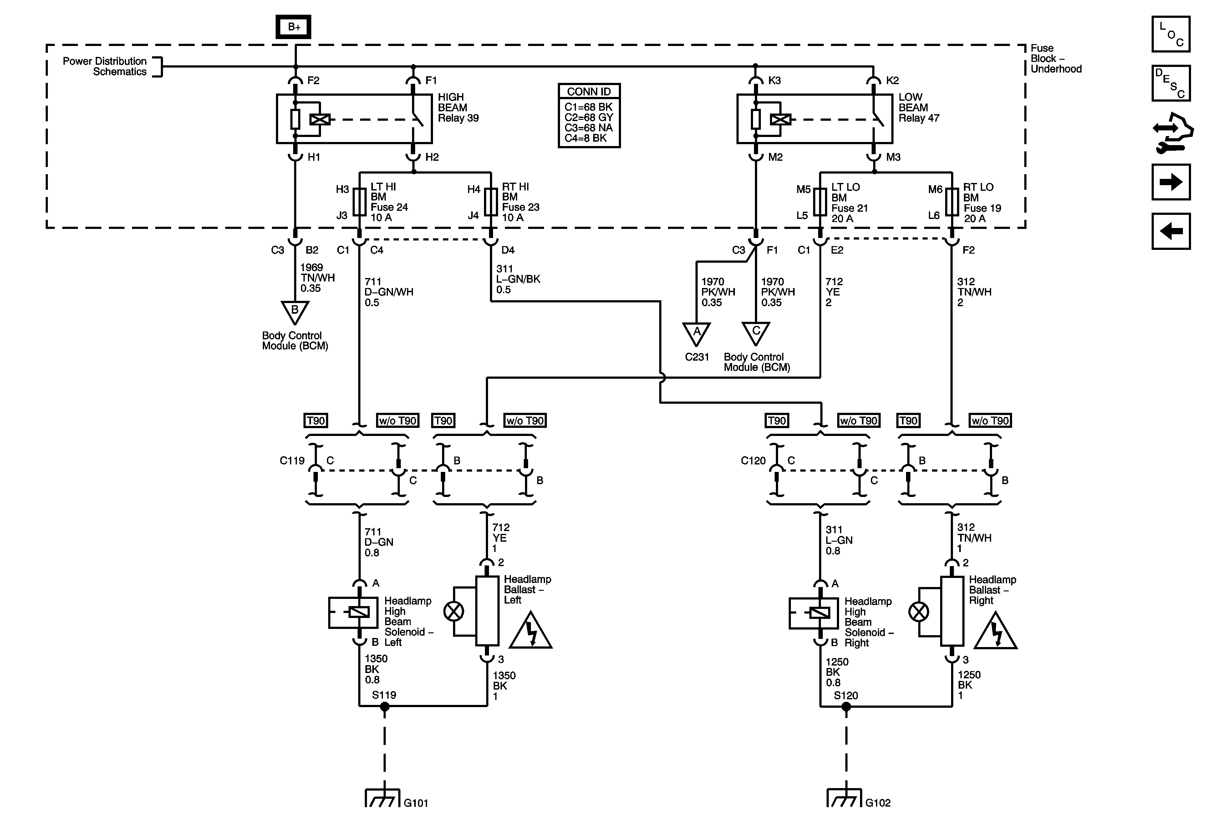
Figure
2:
Headlamps
Master Electrical Component List
Exterior Lighting Systems Description and Operation
Control Module References
Adaptive Forward Lighting System (AFS) - Except Japan and Europe
Headlamp/DRL Controls
Fuse Block - Underhood Bussing
LT HI BM, RT HI BM, LT LO BM, RT LO BM, WIPER, STEERING WHEEL DIMMING, WIPER DWELL, RUN/ACCESSORY POWER Fuses, and HIGH BEAM, LOW BEAM Relays
Headlamp/DRL Controls
Headlamp/DRL Controls
Headlamp/DRL Controls
Lighting Systems Schematic Icons
Lighting Systems Schematic Icons
G101
G101
G102
G102
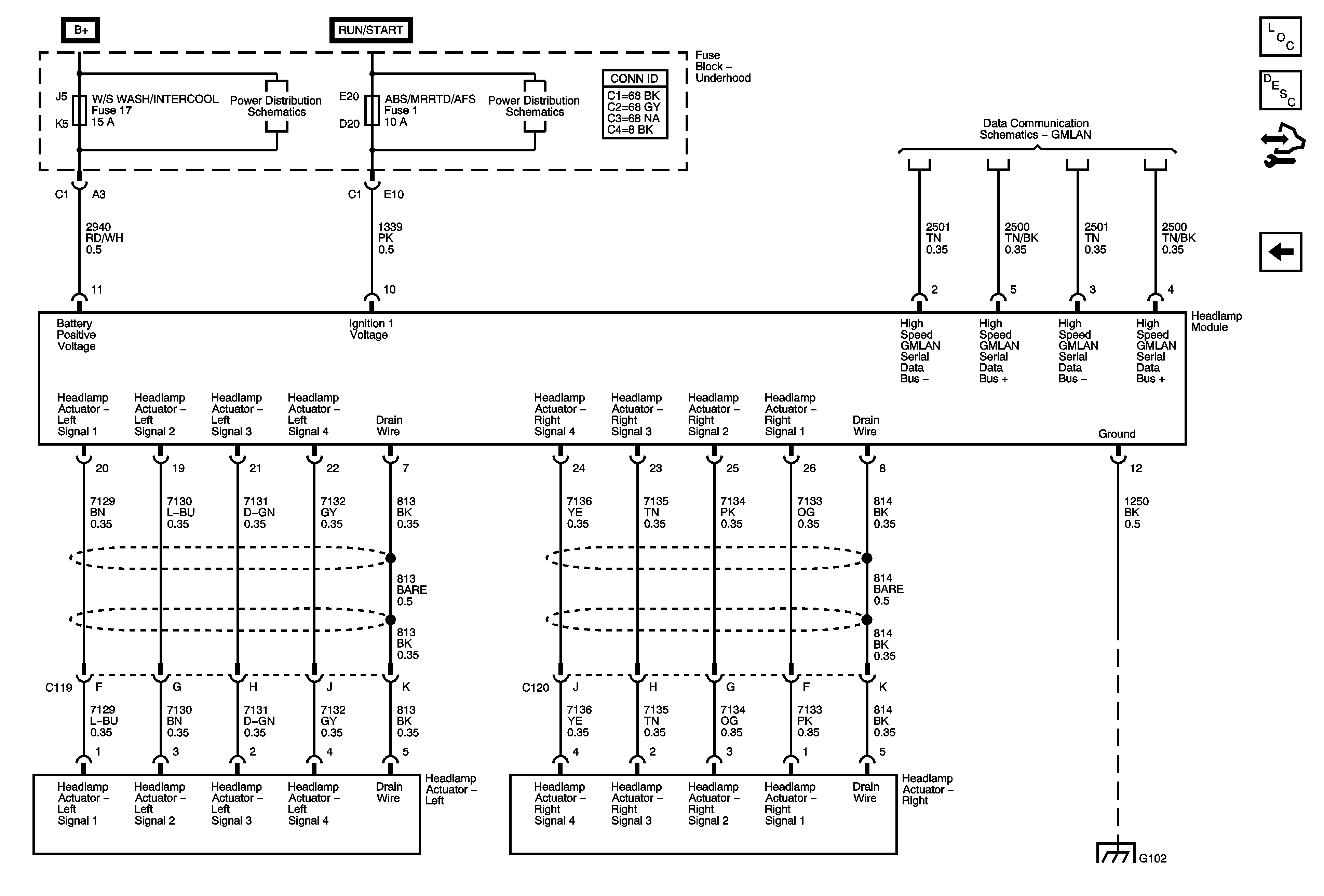
Figure
3:
Adaptive Forward Lighting System (AFS) - Except Japan and Europe
Master Electrical Component List
Exterior Lighting Systems Description and Operation
Control Module References
Headlamps
Fuse Block - Underhood Bussing
COOLFAN, AMP, HVAC, ABS, MRRTD, ECM/TCM, HORN, BATT 2 Fuses, and HORN, REAR DEFOG Relays
RPA/H/C SEAT, GMLAN DEVICES, ECM, SDM/PSIR SW, ACC/TCM, and ABS/MRRTD Fuses
RPA/H/C SEAT, GMLAN DEVICES, ECM, SDM/PSIR SW, ACC/TCM, and ABS/MRRTD Fuses
GMLAN
G102