GM Service Manual Online
For 1990-2009 cars only
Makes
🢒
Cadillac
🢒
2007
🢒
XLR
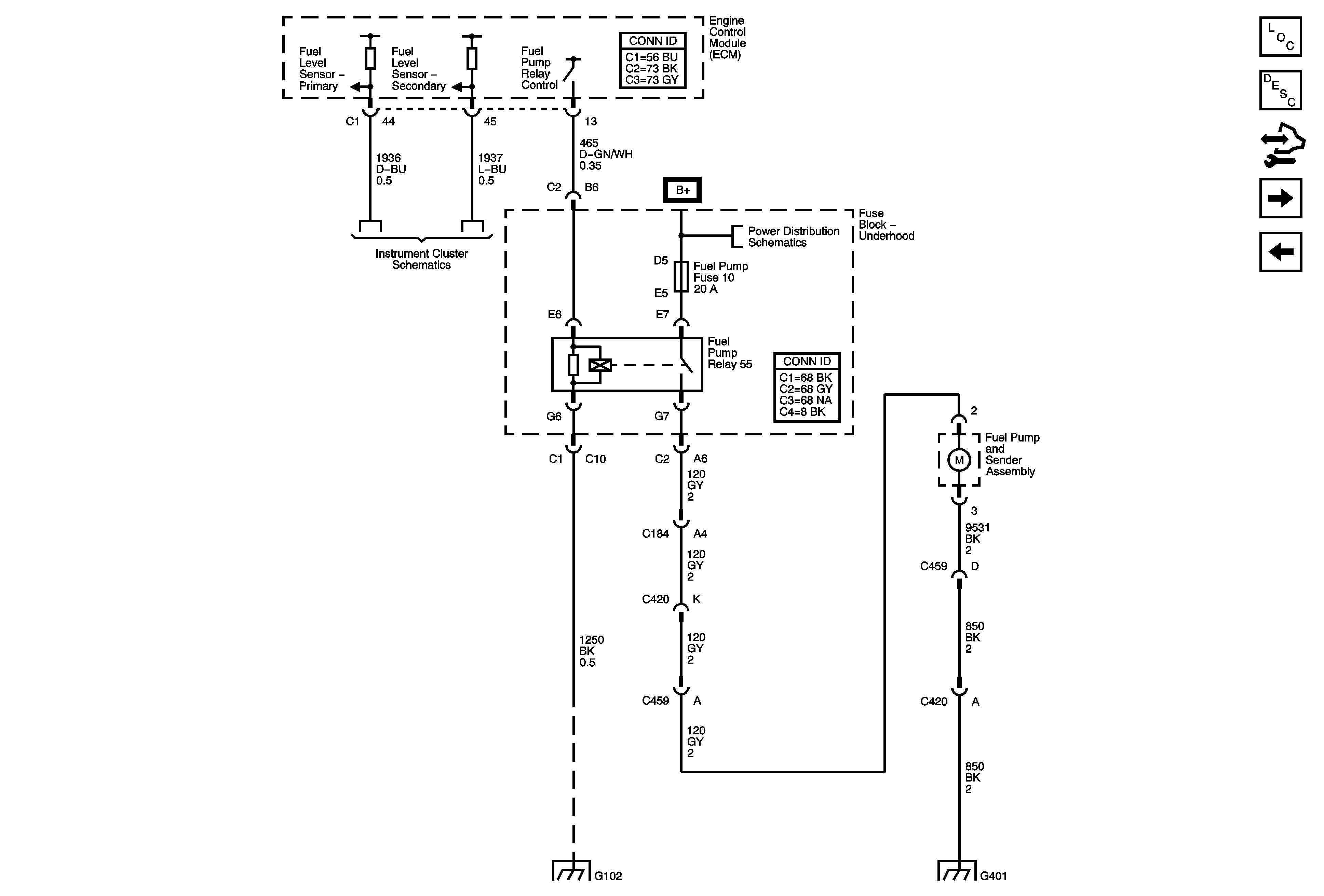
🢒 Fuel Pump Controls
Fuel Pump Controls
Fuel Pump Controls
Master Electrical Component List
Engine Control Module Description
Control Module References
Controlled/Monitored Subsystem References
EVAP Solenoids, and FTP Sensor
Gages
Fuse Block - Underhood Bussing
Fuse Block - Underhood Bussing
G102
G302, G401, and G402