GM Service Manual Online
For 1990-2009 cars only
Makes
🢒
Cadillac
🢒
2007
🢒
XLR
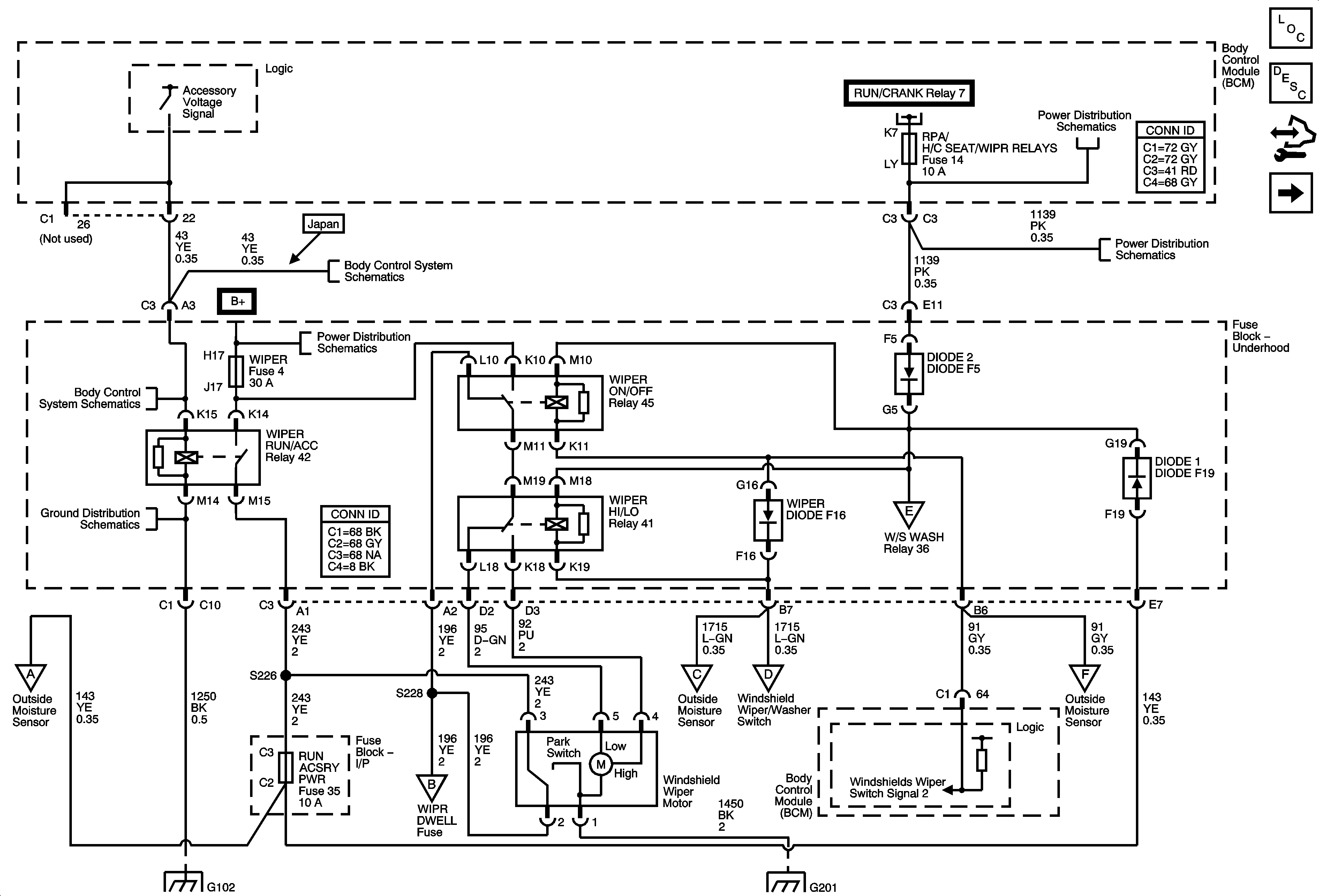
🢒 Power, Ground, and Wiper Motor
Power, Ground, and Wiper Motor
Power, Ground, and Wiper Motor
Master Electrical Component List
Wiper/Washer System Description and Operation
Control Module References
Wiper Switch, Washers, and Outside Moisture Sensor
CLUSTER, A.C. LATCH/PK BRK B, DOOR LOCKS, INTERIOR LIGHTS, HVAC/PWR SND, ISRVM/HVAC, TUTD SW/STRG COL SW FUSES, and RUN/CRANK Relay 2
RPA/H/C SEAT, GMLAN DEVICES, ECM, SDM/PSIR SW, ACC/TCM, and ABS/MRRTD Fuses
RPA/H/C SEAT, GMLAN DEVICES, ECM, SDM/PSIR SW, ACC/TCM, and ABS/MRRTD Fuses
Power, Ground, and DLC
Power, Ground, and DLC
Fuse Block - Underhood Bussing
LT HI BM, RT HI BM, LT LO BM, RT LO BM, WIPER, STEERING WHEEL DIMMING, WIPER DWELL, RUN/ACCESSORY POWER Fuses, and HIGH BEAM, LOW BEAM Relays
G102
Wiper Switch, Washers, and Outside Moisture Sensor
Wiper Switch, Washers, and Outside Moisture Sensor
G102
Wiper Switch, Washers, and Outside Moisture Sensor
Wiper Switch, Washers, and Outside Moisture Sensor
Wiper Switch, Washers, and Outside Moisture Sensor
G201