GM Service Manual Online
For 1990-2009 cars only
Makes
🢒
Cadillac
🢒
2007
🢒
XLR
🢒 Wiper Switch, Washers, and Outside Moisture Sensor
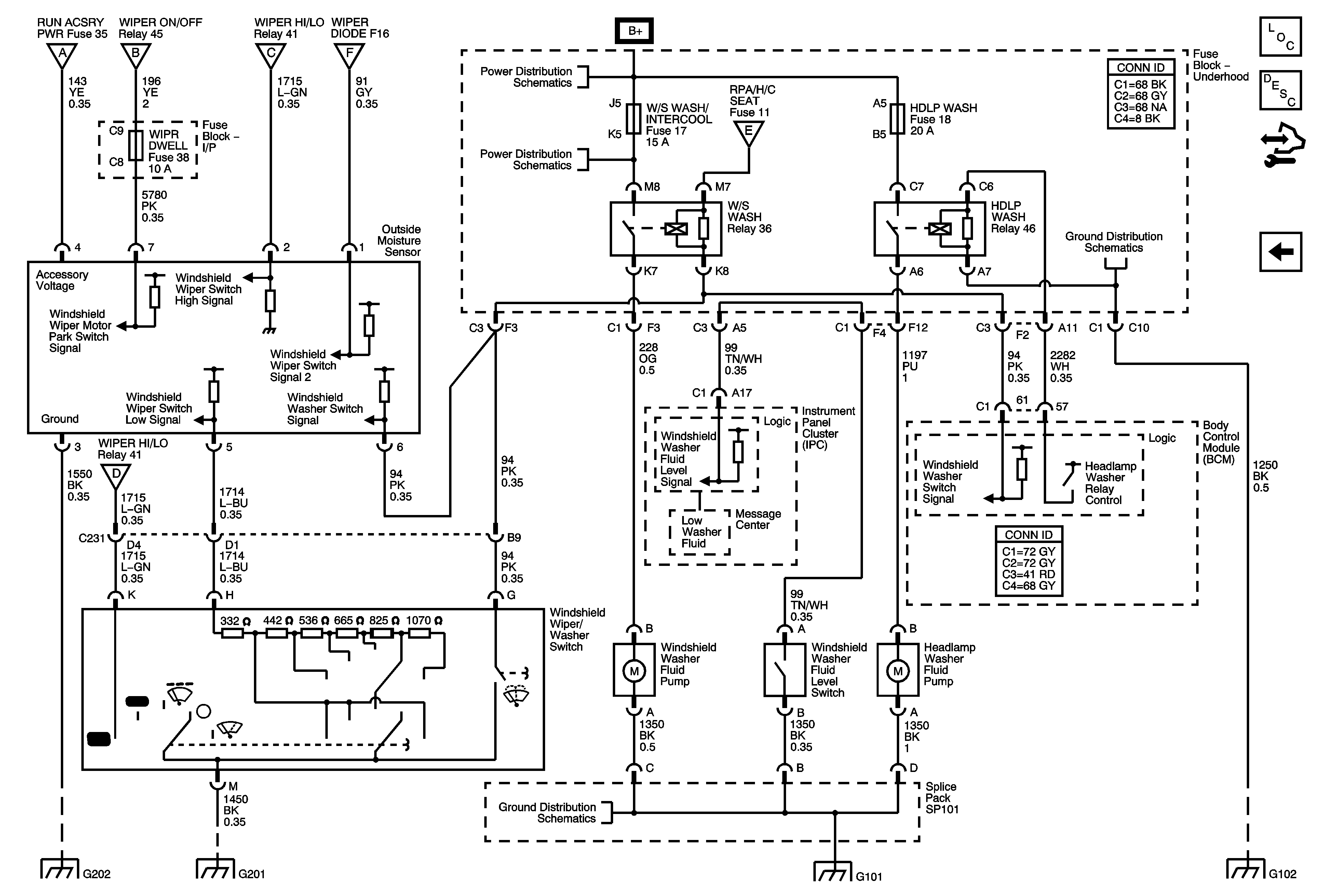
Wiper Switch, Washers, and Outside Moisture Sensor
Wiper Switch, Washers, and Outside Moisture Sensor
Master Electrical Component List
Wiper/Washer System Description and Operation
Control Module References
Power, Ground, and Wiper Motor
Fuse Block - Underhood Bussing
Fuse Block - Underhood Bussing
COOLFAN, AMP, HVAC, ABS, MRRTD, ECM/TCM, HORN, BATT 2 Fuses, and HORN, REAR DEFOG Relays
Power, Ground, and Wiper Motor
G102
Power, Ground, and Wiper Motor
Power, Ground, and Wiper Motor
Power, Ground, and Indicators
G202
G201
G101
G101
G102