GM Service Manual Online
For 1990-2009 cars only
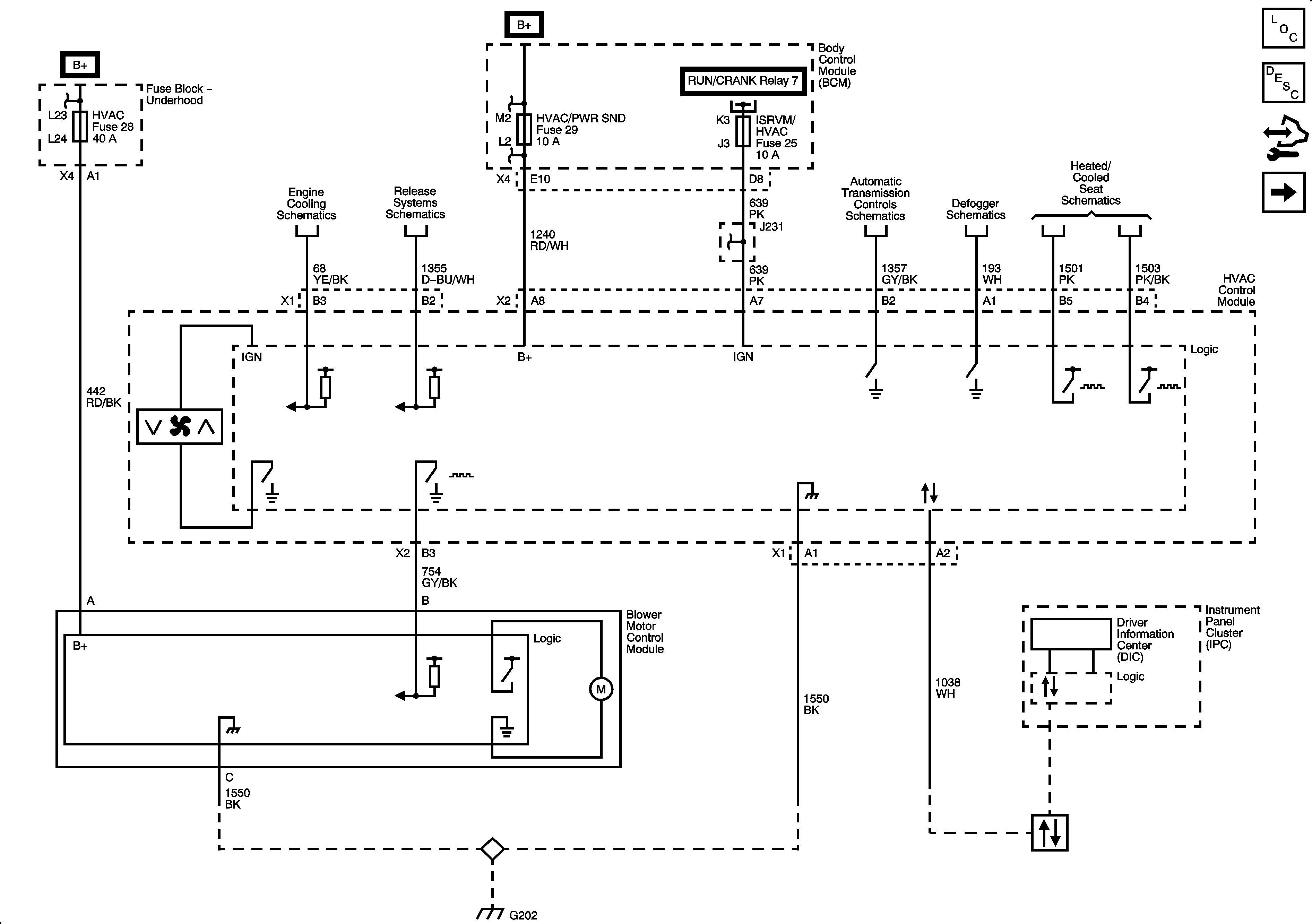
Figure 1:

Power, Ground, and Blower Motor Controls


Object Number: 1899544  Size: FS
Master Electrical Component List
Air Delivery Description and Operation
Control Module References
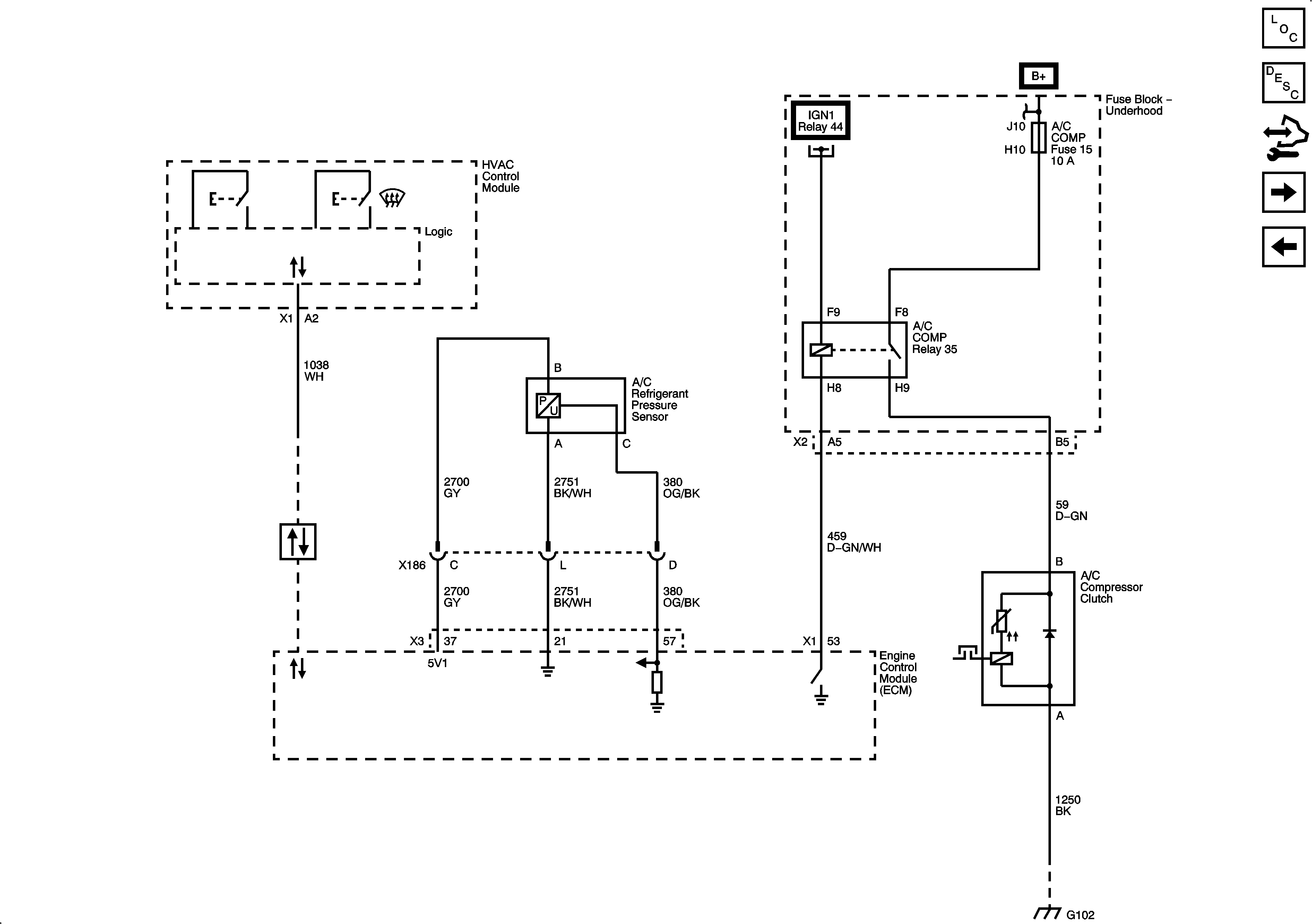
A/C Compressor Controls
Fuse Block - Underhood Bussing
COOLFAN, AMP, HVAC, ABS, W/S WASH/INTERCOOL, MRRTD, ECM/TCM, HORN, and BATT2 Fuses
CLSTR/HUD, DECK LID CLOSE/PARK/BRK B, DR LOCKS, INTERIOR LIGHTS, HVAC/PWR SND, ISRVM/HVAC, TUTD SW STRG COL SW Fuses, and RUN/CRANK Relay
CLSTR/HUD, DECK LID CLOSE/PARK/BRK B, DR LOCKS, INTERIOR LIGHTS, HVAC/PWR SND, ISRVM/HVAC, TUTD SW STRG COL SW Fuses, and RUN/CRANK Relay
CLSTR/HUD, DECK LID CLOSE/PARK/BRK B, DR LOCKS, INTERIOR LIGHTS, HVAC/PWR SND, ISRVM/HVAC, TUTD SW STRG COL SW Fuses, and RUN/CRANK Relay
Engine Cooling Schematics
Valet Switch
Shift Lever
Defogger Schematics
Driver
Power, Ground, and Class 2
G202
Figure 2:

A/C Compressor Controls


Object Number: 1899547  Size: FS
Master Electrical Component List
Air Temperature Description and Operation
Control Module References
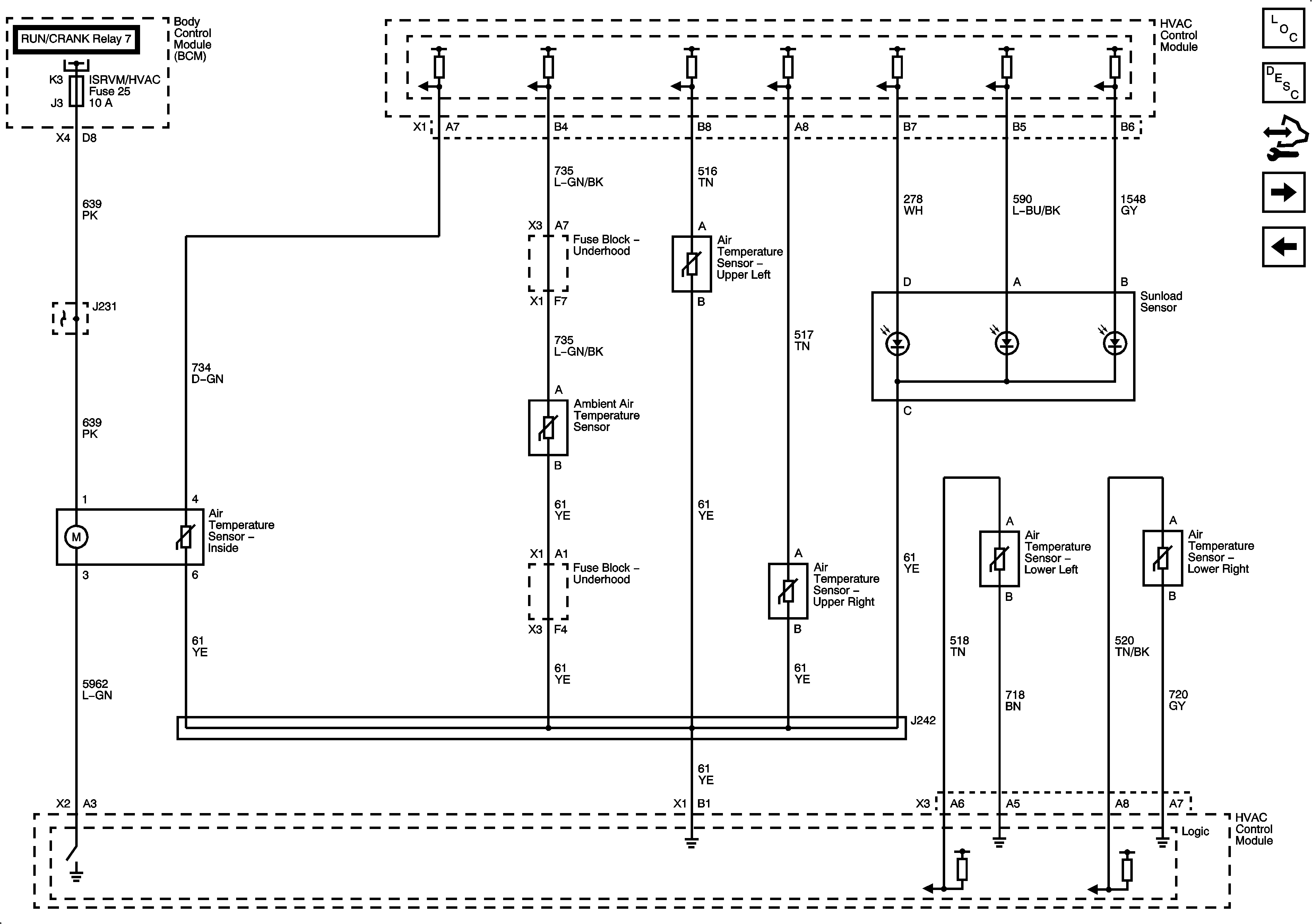
Temperature Sensors
Power, Ground, and Blower Motor Controls
Fuse Block - Underhood Bussing
Fuse Block - Underhood Bussing
Power, Ground, and Class 2
G102
Figure 3:

Temperature Sensors


Object Number: 1899550  Size: FS
Master Electrical Component List
Air Temperature Description and Operation
Control Module References
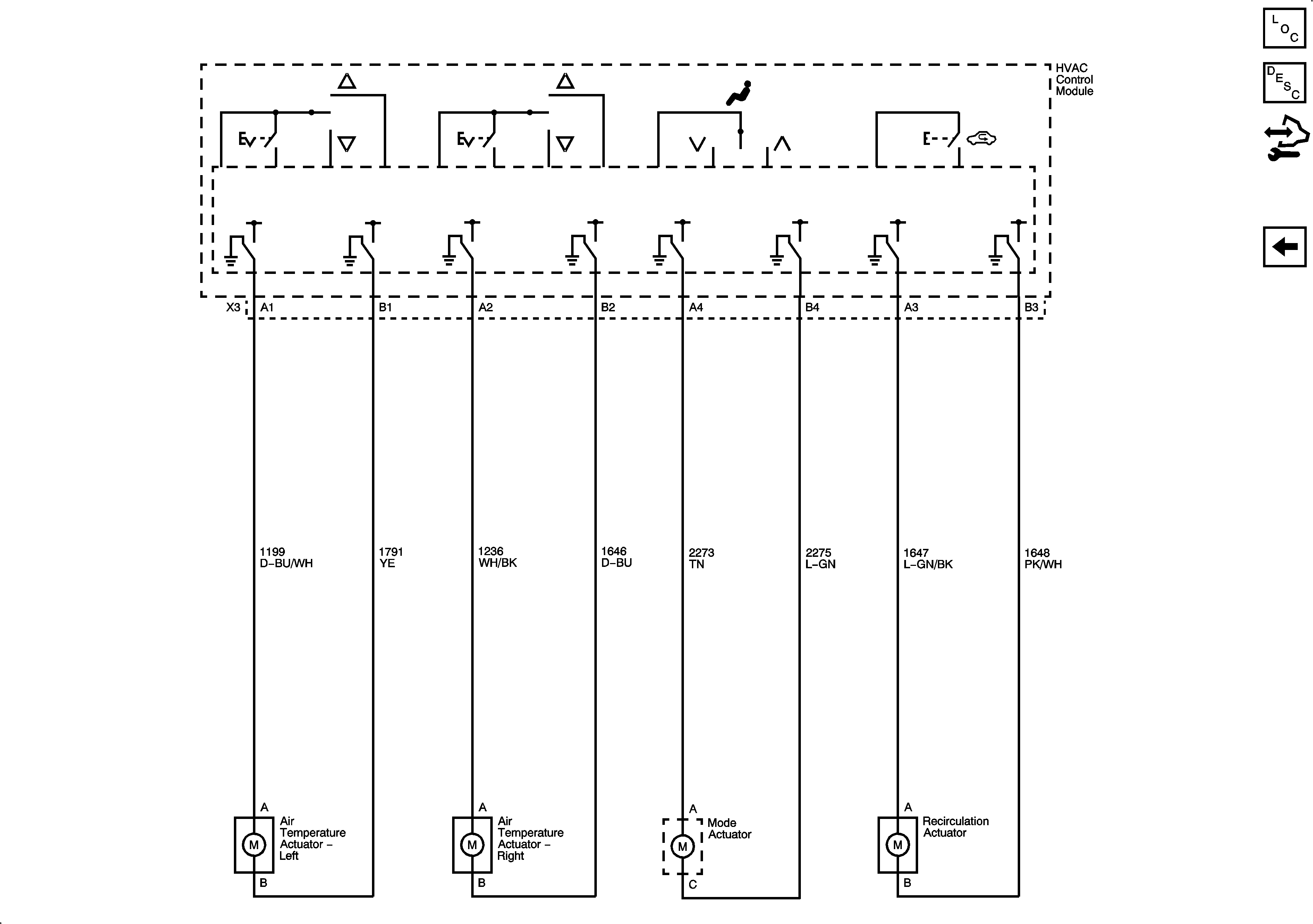
Mode and Air Temperature Controls
A/C Compressor Controls
CLSTR/HUD, DECK LID CLOSE/PARK/BRK B, DR LOCKS, INTERIOR LIGHTS, HVAC/PWR SND, ISRVM/HVAC, TUTD SW STRG COL SW Fuses, and RUN/CRANK Relay
CLSTR/HUD, DECK LID CLOSE/PARK/BRK B, DR LOCKS, INTERIOR LIGHTS, HVAC/PWR SND, ISRVM/HVAC, TUTD SW STRG COL SW Fuses, and RUN/CRANK Relay
Figure 4:

Mode and Air Temperature Controls


Object Number: 1899553  Size: FS
Master Electrical Component List
Air Temperature Description and Operation
Control Module References
Temperature Sensors