GM Service Manual Online
For 1990-2009 cars only
Makes
🢒
Chevrolet
🢒
2000
🢒
Astro - 2WD
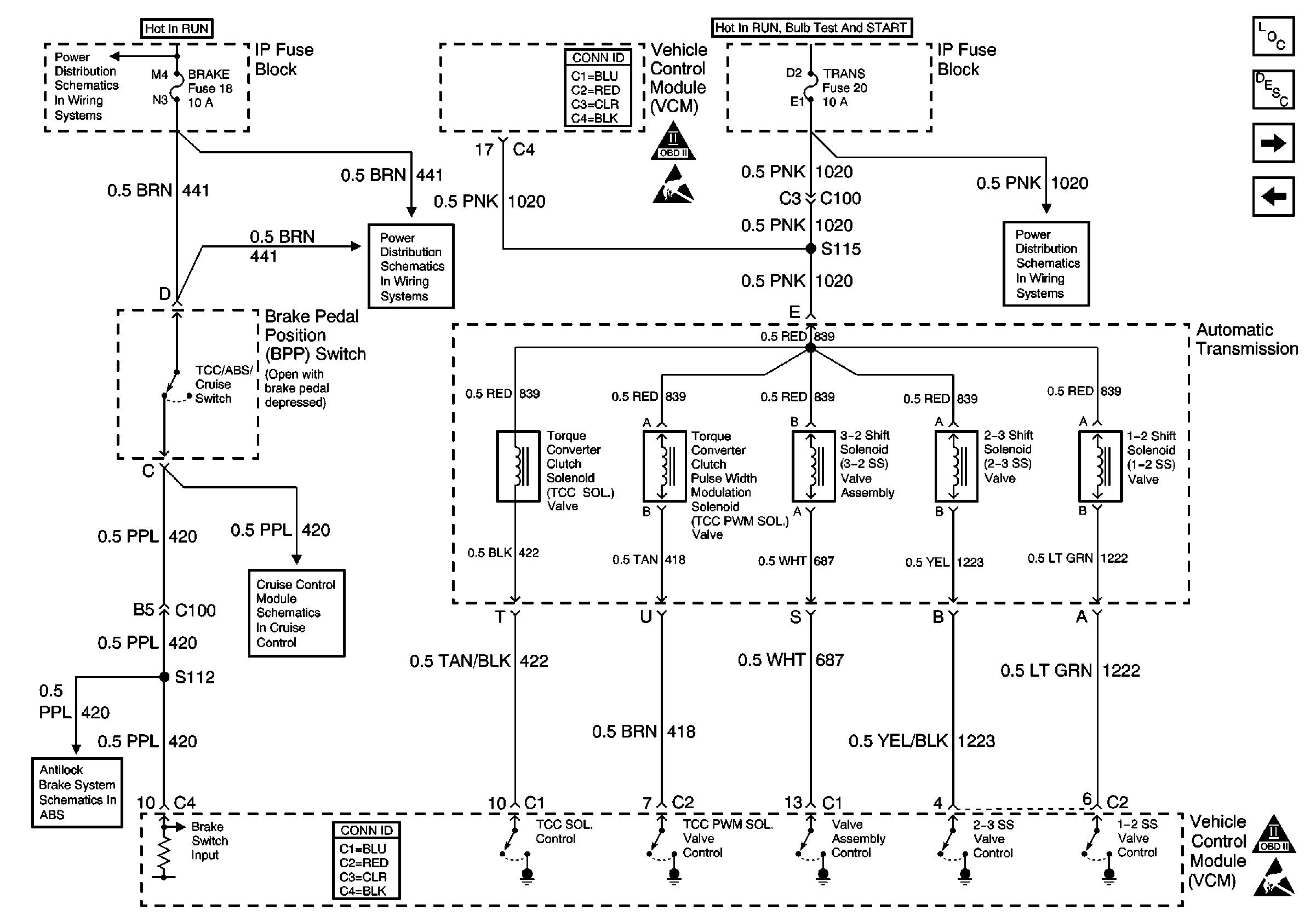
🢒 Transmission Shift Controls
Transmission Shift Controls
Transmission Shift Controls
Engine Controls Components
Electronic Component Description
Transmission Switch Input Controls
Speed & Cruise Controls
EBCM Power Supply and Communication
IGN-B Fuse and Ignition Switch
OBD II Symbol Description Notice
Handling ESD Sensitive Parts Notice
HTR-A/C Fuse 12, BRAKE Fuse 18 and CRUISE Fuse 6
TRANS Fuse 20 and WINDOWS Circuit Breaker
OBD II Symbol Description Notice
Handling ESD Sensitive Parts Notice
Cruise Control Schematics