GM Service Manual Online
For 1990-2009 cars only
Makes
🢒
Chevrolet
🢒
2001
🢒
Astro - 2WD
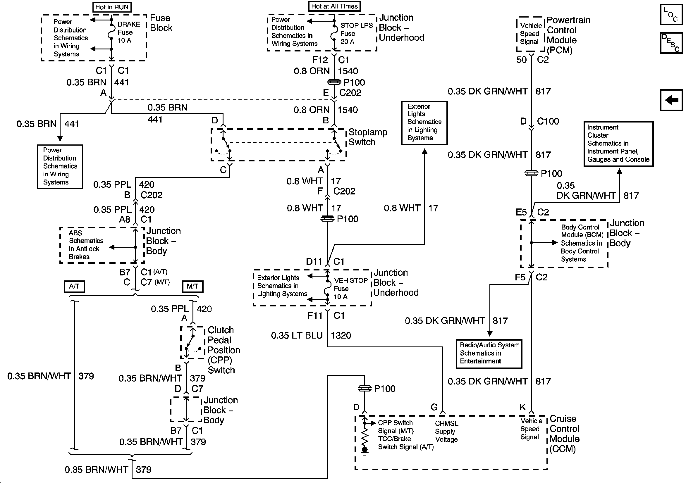
🢒 Cruise Control Module (CCM), Clutch Pedal Position (CPP) Switch, Stoplamp Switch
Cruise Control Module (CCM), Clutch Pedal Position (CPP) Switch, Stoplamp Switch
Cruise Control Module (CCM), Clutch Pedal Position (CPP) Switch, Stoplamp Switch
Master Electrical Component List
Cruise Control Description and Operation w/o ETC
Cruise Control Module (CCM) and Cruise Control On/Off Switch
IGNITION, RUN, ACCESSORY, and RAP Bus Bars, RAP #1 and RAP #2 Fuses
B+ Bus Bar
BRAKE, CRUISE, HTR A/C, RR WPR, WS WPR, and SEO ACCY Fuses
STOP LPS, HAZ LP and TURN Fuses, Stoplamp Switch, VEH STOP and CHMSL Fuses
Gauges, VSS, and Engine Oil Signals
Power, Ground, Serial Data - w/o Traction Assist
STOP LPS, HAZ LP and TURN Fuses, Stoplamp Switch, VEH STOP and CHMSL Fuses