GM Service Manual Online
For 1990-2009 cars only
Makes
🢒
Chevrolet
🢒
2001
🢒
Astro - 2WD
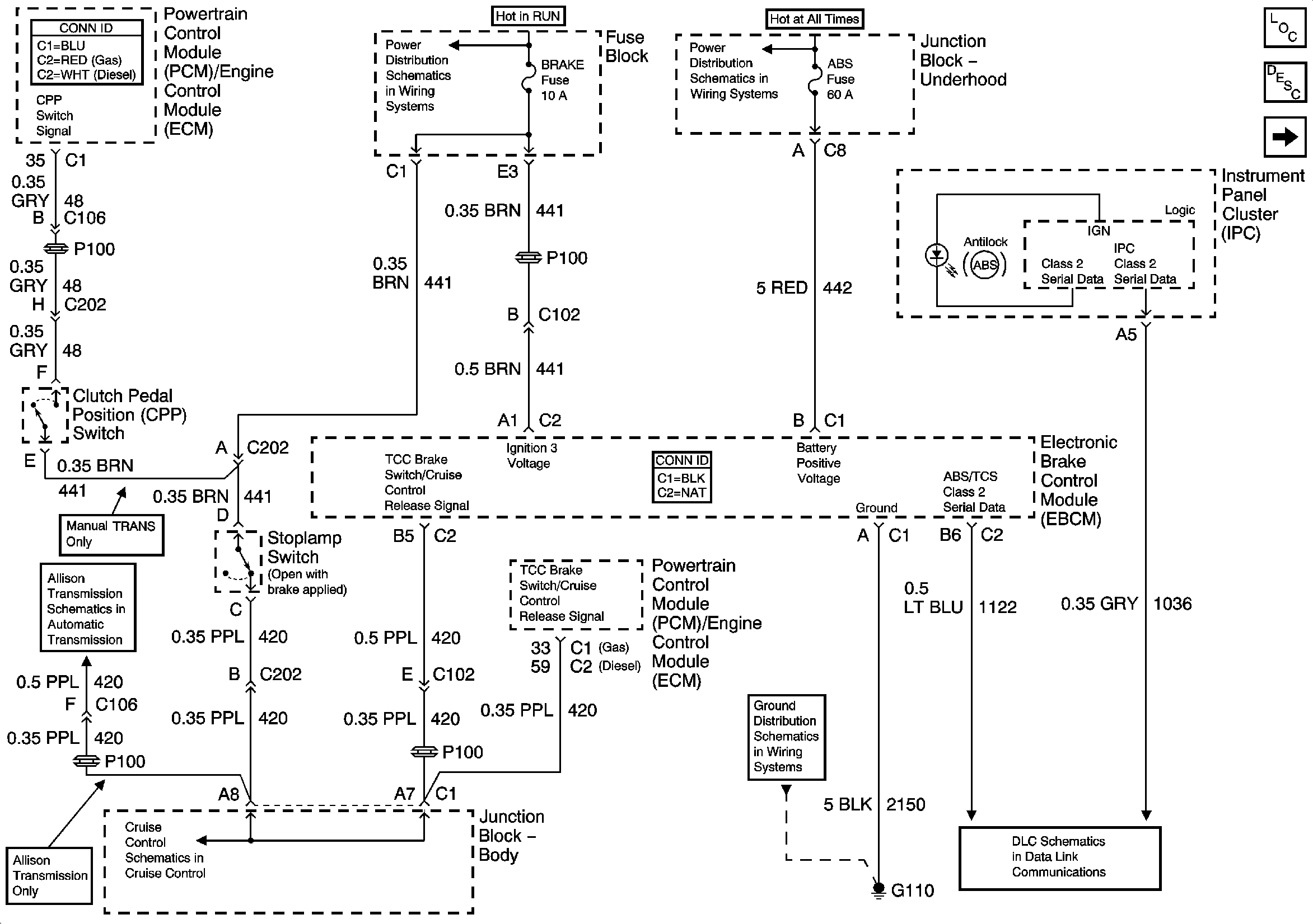
🢒 Power, Ground, Serial Data - w/o Traction Assist
Power, Ground, Serial Data - w/o Traction Assist
Power, Ground, Serial Data - w/o Traction Assist
Master Electrical Component List
ABS Description and Operation
Speed Sensor Signals - w/o Traction Assist
IGNITION, RUN, ACCESSORY, and RAP Bus Bars, RAP #1 and RAP #2 Fuses
B+ Bus Bar
G100 and G110
SP205
Cruise Control Module (CCM), Clutch Pedal Position (CPP) Switch, Stoplamp Switch