GM Service Manual Online
For 1990-2009 cars only
Makes
🢒
Chevrolet
🢒
2001
🢒
Astro - 2WD
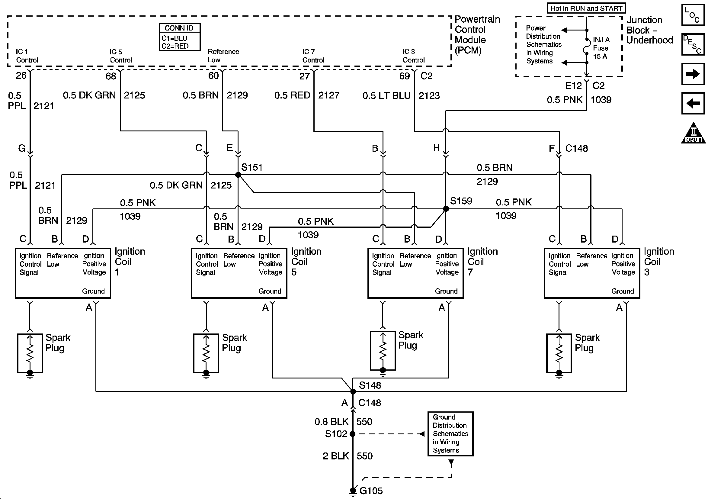
🢒 INJ A Fuse, Ignition Coils, and PCM
INJ A Fuse, Ignition Coils, and PCM
INJ A Fuse, Ignition Coils, and PCM
Master Electrical Component List
Throttle Actuator Control (TAC) System Description
Camshaft Position Sensor (CMP), Crankshaft Position Sensor (CKP), and Knock Sensors
INJ B Fuse, Ignition Coils, and PCM
OBD II Symbol Description Notice
IGN 1 Relay, and ECM 1, ETC, INJA, INJB Fuses - Gas
G103 and G105 - Gas