GM Service Manual Online
For 1990-2009 cars only
Makes
🢒
Chevrolet
🢒
2001
🢒
Astro - 2WD
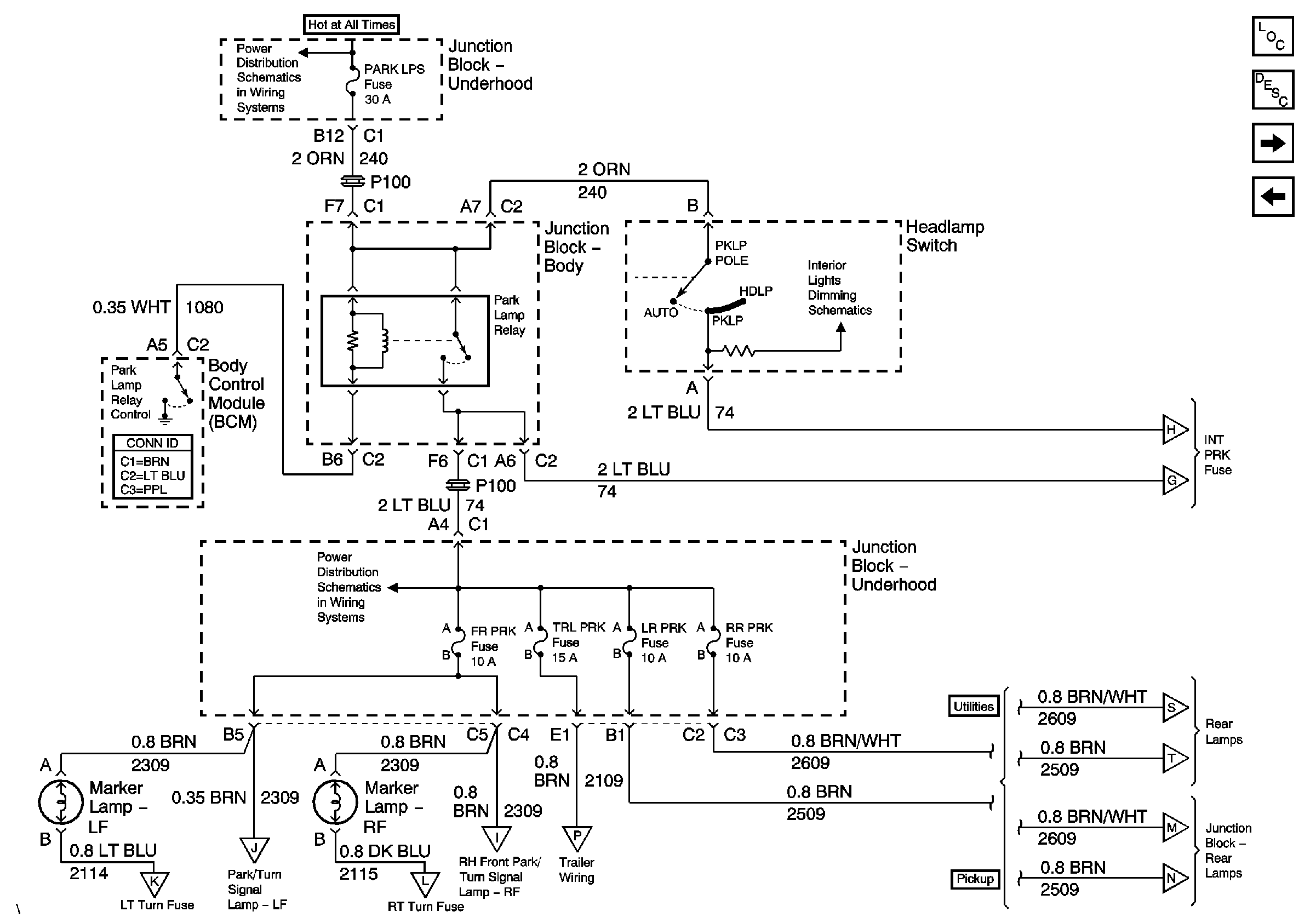
🢒 PARK LPS Fuse, Headlamp Switch, FR PRK, TRL PRK, LR PRK and RR PRK Fuses
PARK LPS Fuse, Headlamp Switch, FR PRK, TRL PRK, LR PRK and RR PRK Fuses
PARK LPS Fuse, Headlamp Switch, FR PRK, TRL PRK, LR PRK and RR PRK Fuses
Master Electrical Component List
Exterior Lighting Systems Description and Operation
INT PRK Fuse, Roof Marker and Clearance Lamps
LT TURN Fuse, RT TURN Fuse, and Turn Signal Lamps
B+ Bus Bar
INT PRK Fuse, Roof Marker and Clearance Lamps
INT PRK Fuse, Roof Marker and Clearance Lamps
LT TURN Fuse, RT TURN Fuse, and Turn Signal Lamps
LT TURN Fuse, RT TURN Fuse, and Turn Signal Lamps
LT TURN Fuse, RT TURN Fuse, and Turn Signal Lamps
LT TURN Fuse, RT TURN Fuse, and Turn Signal Lamps
TRL R TURN and L TURN Fuses and Trailer Connector
License Lamps, Tail/Stop Lamps, and Turn Signal Lamps - Utility
License Lamps, Tail/Stop Lamps, and Turn Signal Lamps - Utility
Tail/Stop Lamps, License Lamps, Cargo Lamps and CHMSL - Pickup
Tail/Stop Lamps, License Lamps, Cargo Lamps and CHMSL - Pickup
FR PRK, TRL PRK, LR PRK, RR PRK Fuses, and FOG LAMP Relay
Dimming Control, Traction Control, Fog Lamp and Selectable Ride Switches