GM Service Manual Online
For 1990-2009 cars only
Makes
🢒
Chevrolet
🢒
2001
🢒
Astro - 2WD
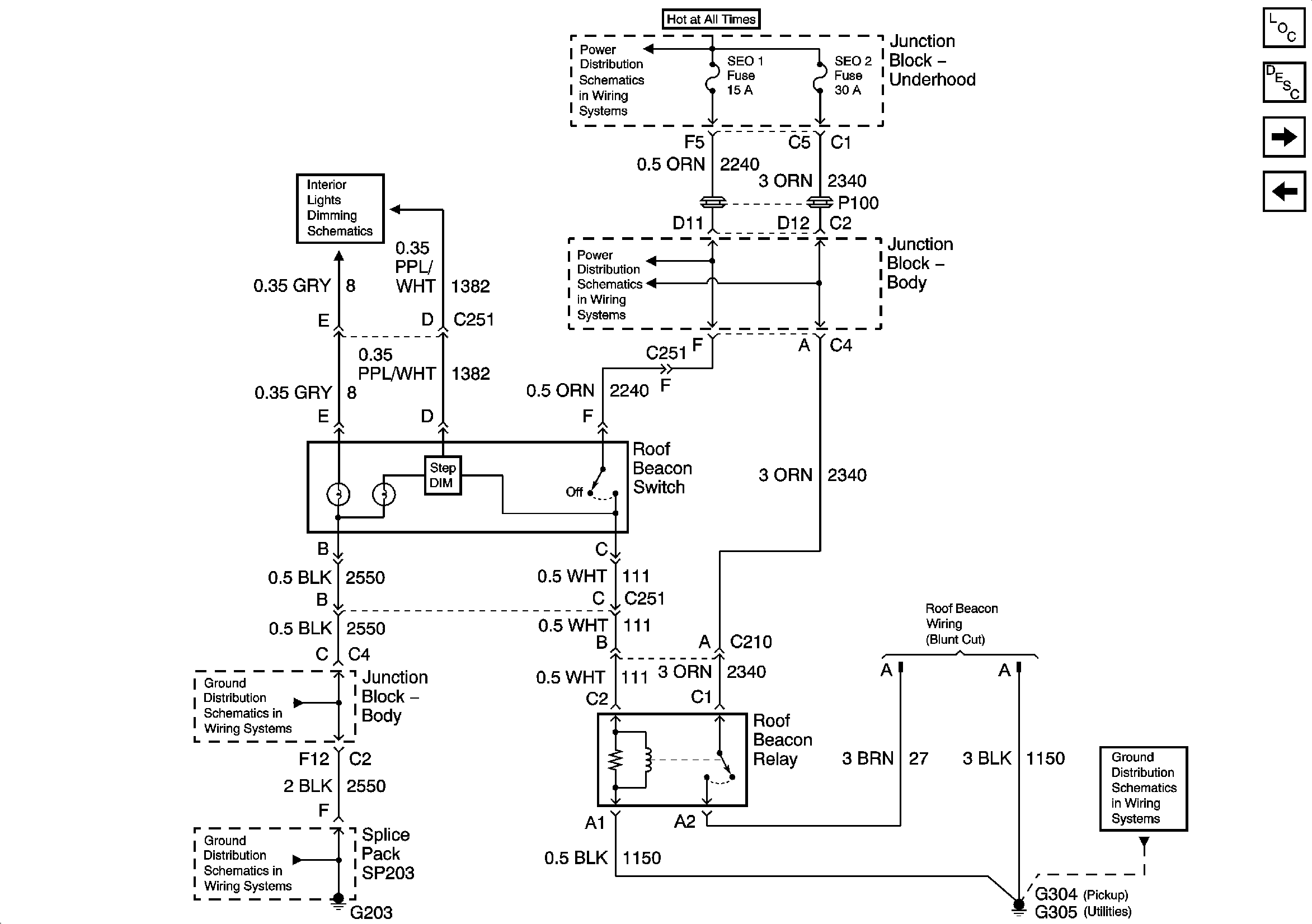
🢒 Roof Beacon Switch and Relay
Roof Beacon Switch and Relay
Roof Beacon Switch and Relay
Master Electrical Component List
Exterior Lighting Systems Description and Operation
TRL R TURN and L TURN Fuses and Trailer Connector
Cargo Lamps and Inadvertent Power Relay
B+ Bus Bar
Transfer Case Shift Control, Roof Beacon, and Inflatable Restraint IP Module Disable Switches, HVAC Control Module, IPC, and Radio
SEO 1, SEO 2, AND AUX PWR Fuses
G203 - 3 of 4 - Base Pickup
G203 - 1 of 4
G304