GM Service Manual Online
For 1990-2009 cars only
Makes
🢒
Chevrolet
🢒
2001
🢒
Astro - 2WD
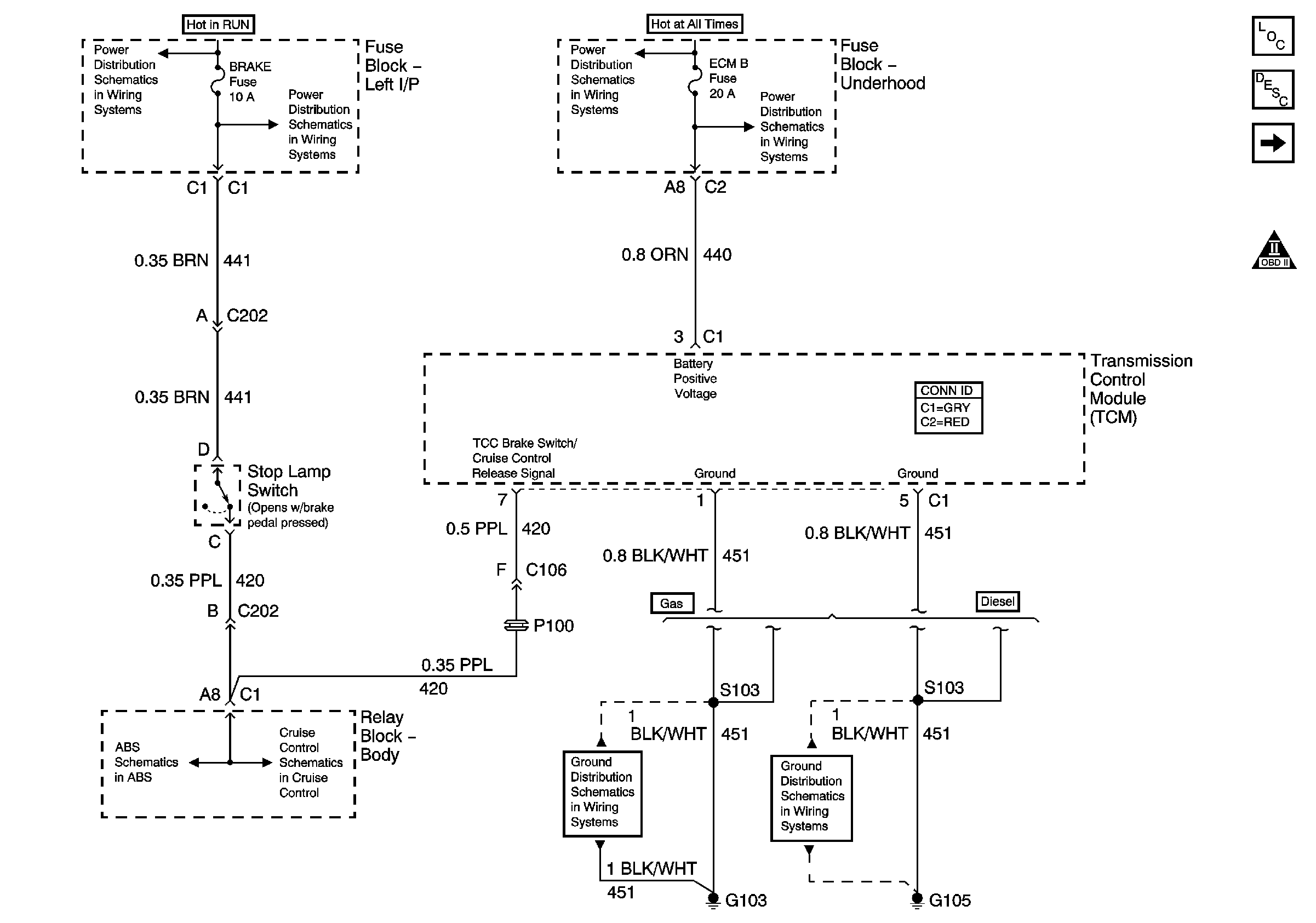
🢒 Power, Ground, and Stop Lamp Switch TCC Signal Circuit
Power, Ground, and Stop Lamp Switch TCC Signal Circuit
Power, Ground, and Stop Lamp Switch TCC Signal Circuit
Master Electrical Component List
Electronic Component Description
OFF/RUN/START Voltage, Serial Data, and Torque Signals
OBD II Symbol Description Notice
IGNITION, RUN, and START Bus Bar
BRAKE, CRUISE, HTR A/C, RR WPR, WS WPR, and SEO ACCY Fuses
B+ Bus Bar
AIR, RADIO, ECM B, FRT HVAC, and CIGAR Fuses
Power, Ground, Serial Data - w/o Traction Assist
Cruise Controls Schematics - Diesel
G103 and G105 - Gas
G105 - Diesel