GM Service Manual Online
For 1990-2009 cars only
Makes
🢒
Chevrolet
🢒
2001
🢒
Astro - 2WD
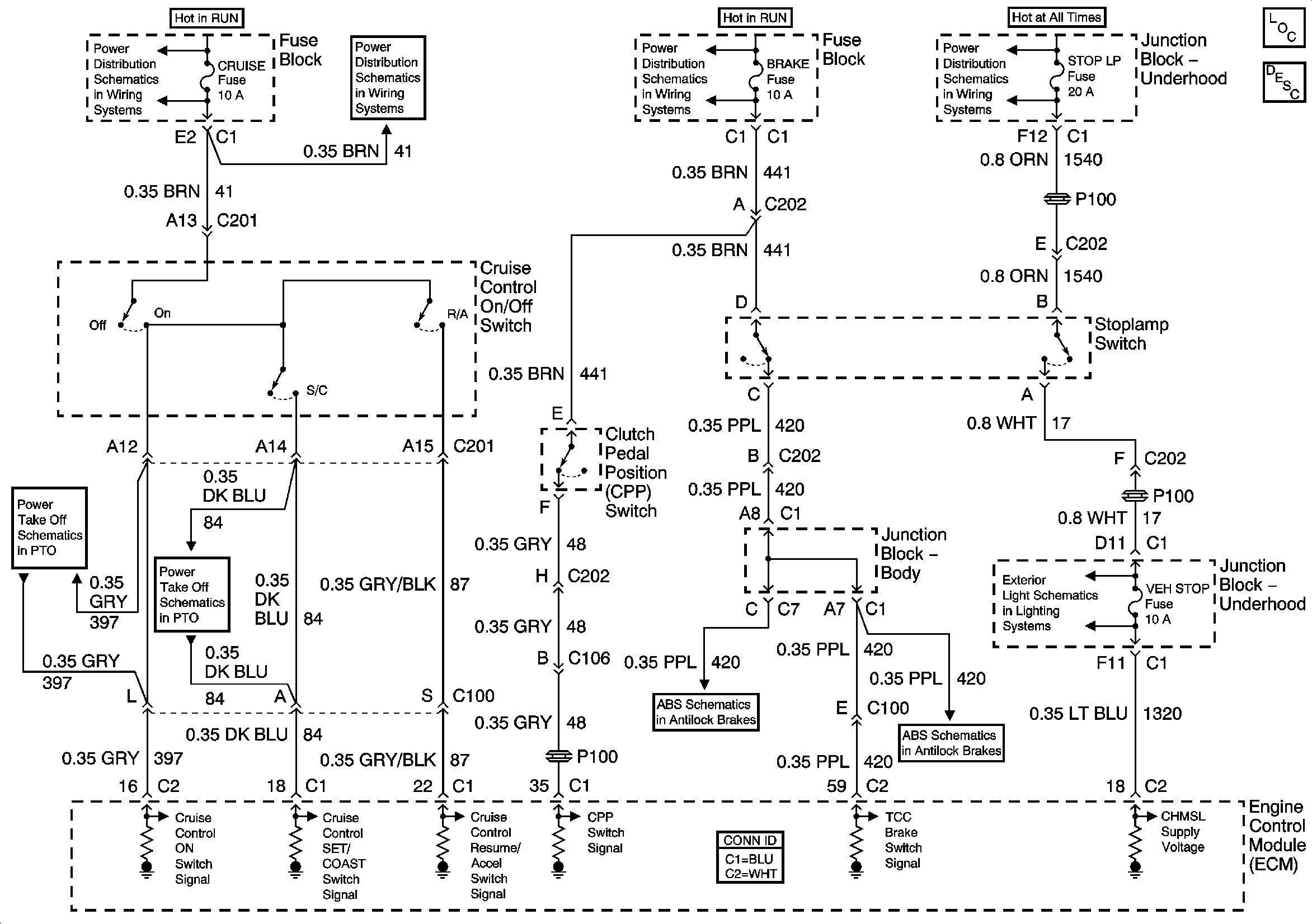
🢒 Cruise Controls Schematics - Diesel
Cruise Controls Schematics - Diesel
Master Electrical Component List
Cruise Control Description and Operation Diesel
IGNITION, RUN, ACCESSORY, and RAP Bus Bars, RAP #1 and RAP #2 Fuses
BRAKE, CRUISE, HTR A/C, RR WPR, WS WPR, and SEO ACCY Fuses
IGNITION, RUN, ACCESSORY, and RAP Bus Bars, RAP #1 and RAP #2 Fuses
B+ Bus Bar
Fuse Block, PTO Switch and Relay, ECM, SP203, G203
Fuse Block, PTO Switch and Relay, ECM, SP203, G203
Power, Ground, Serial Data - w/o Traction Assist
Power, Ground, Serial Data - w/o Traction Assist
STOP LPS, HAZ LP, and TURN Fuses