GM Service Manual Online
For 1990-2009 cars only
Makes
🢒
Chevrolet
🢒
2002
🢒
Astro - 2WD
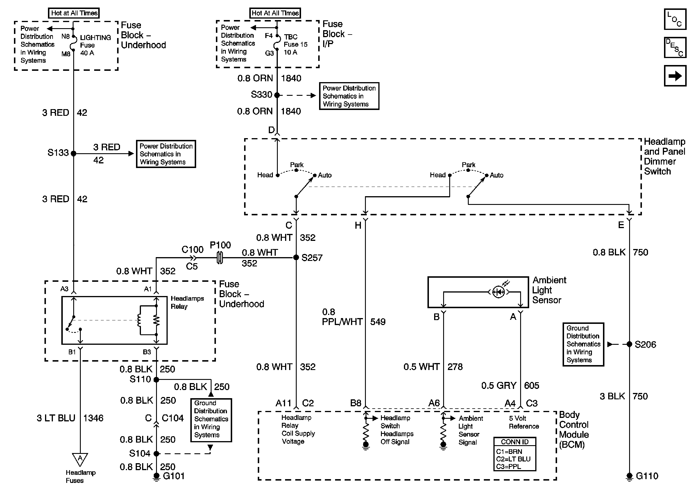
🢒 Headlamp and Panel Dimmer Switch, Ambient Light Sensor (VE1)
Headlamp and Panel Dimmer Switch, Ambient Light Sensor (VE1)
Headlamp and Panel Dimmer Switch, Ambient Light Sensor - VE1
Master Electrical Component List
Exterior Lighting Systems Description and Operation
Composite Headlamps (VE1)
Battery and Fuse Block - Underhood
Battery and Lighting Fuse
Battery and Lighting Fuse
Courtesy, Park Lamps, TBC, and Power Mirror Fuses
Composite Headlamps (VE1)
G100, G106, and G302
G110 (1 of 2)