GM Service Manual Online
For 1990-2009 cars only
Makes
🢒
Chevrolet
🢒
2002
🢒
Astro - 2WD
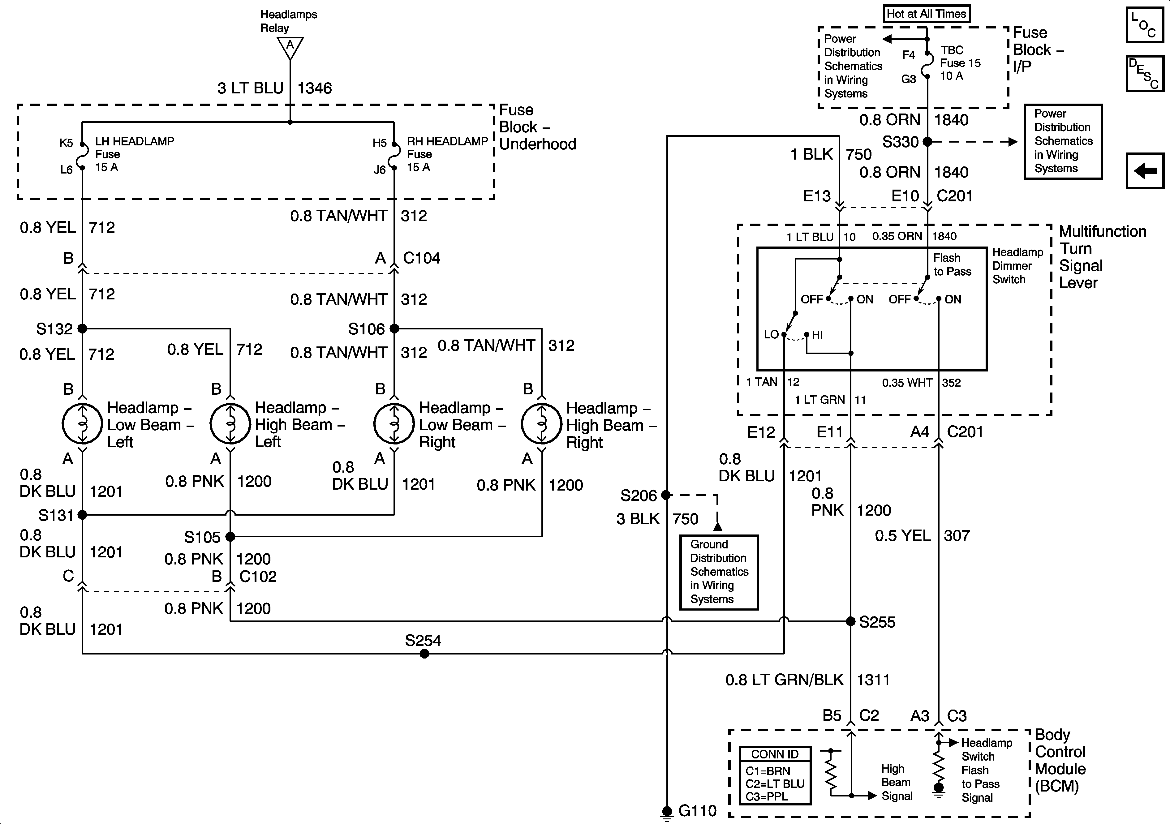
🢒 Composite Headlamps (VE1)
Composite Headlamps (VE1)
Composite Headlamps (VE1)
Master Electrical Component List
Exterior Lighting Systems Description and Operation
Headlamp and Panel Dimmer Switch, Ambient Light Sensor (VE1)
Headlamp and Panel Dimmer Switch, Ambient Light Sensor (VE1)
Battery and Lighting Fuse
Courtesy, Park Lamps, TBC, and Power Mirror Fuses
G110 (1 of 2)