GM Service Manual Online
For 1990-2009 cars only
Makes
🢒
Chevrolet
🢒
2002
🢒
Astro - 2WD
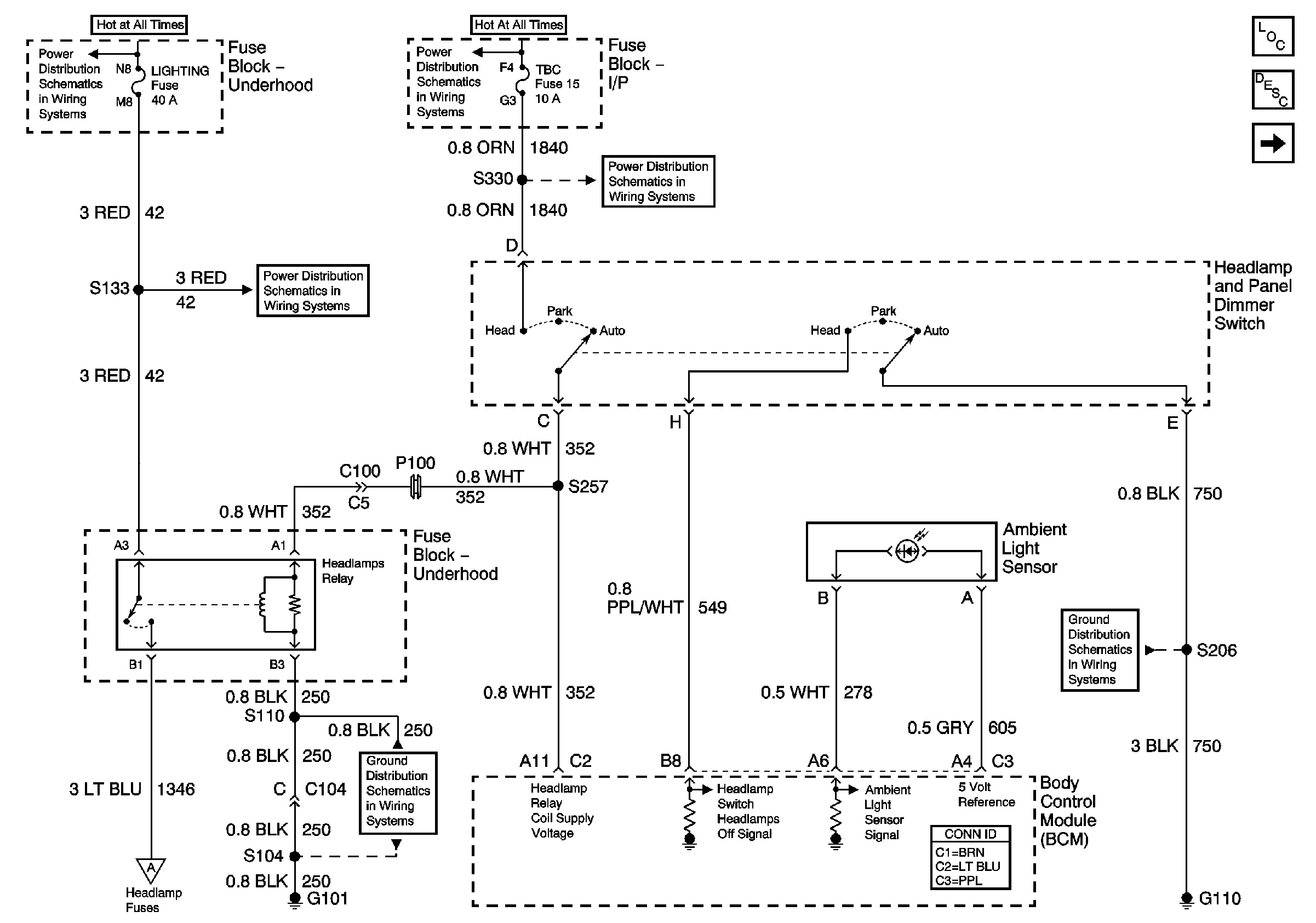
🢒 Headlamp and Panel Dimmer Switch, Ambient Light Sensor
Headlamp and Panel Dimmer Switch, Ambient Light Sensor
Headlamp and Panel Dimmer Switch, Ambient Light Sensor
Master Electrical Component List
Exterior Lighting Systems Description and Operation
Sealed Beam Headlamps, Composite Headlamps
Battery and Fuse Block - Underhood
Battery and Lighting Fuse
Battery and Lighting Fuse
Courtesy, Park Lamps, TBC, and Power Mirror Fuses
Sealed Beam Headlamps, Composite Headlamps
G100, G106, and G302
G110 (1 of 2)