GM Service Manual Online
For 1990-2009 cars only
Makes
🢒
Chevrolet
🢒
2002
🢒
Astro - 2WD
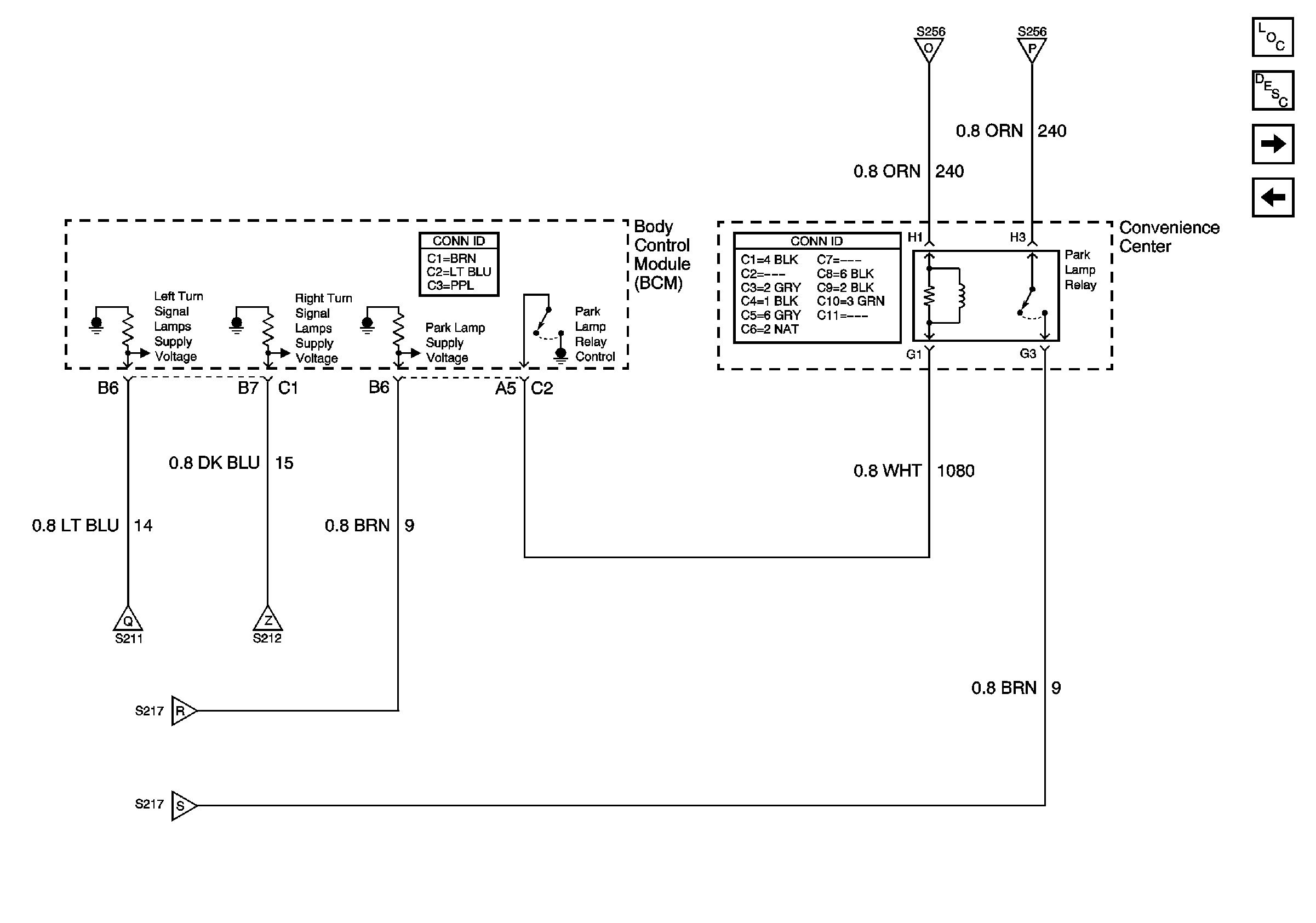
🢒 Park Lamp Relay (VE1)
Park Lamp Relay (VE1)
Park Lamp Relay
Master Electrical Component List
Exterior Lighting Systems Description and Operation
Backup Lamps (WX7)
Trailer Wiring Harness Connections (VE1)
Turn Indicators, Front Park/Turn Signal Lamps, Repeater Lamps (VE1)
Turn Indicators, Front Park/Turn Signal Lamps, Repeater Lamps (VE1)
Turn Indicators, Front Park/Turn Signal Lamps, Repeater Lamps (VE1)
Turn Indicators, Front Park/Turn Signal Lamps, Repeater Lamps (VE1)
Turn Indicators, Front Park/Turn Signal Lamps, Repeater Lamps (VE1)
Turn Indicators, Front Park/Turn Signal Lamps, Repeater Lamps (VE1)