GM Service Manual Online
For 1990-2009 cars only
Makes
🢒
Chevrolet
🢒
2002
🢒
Astro - 2WD
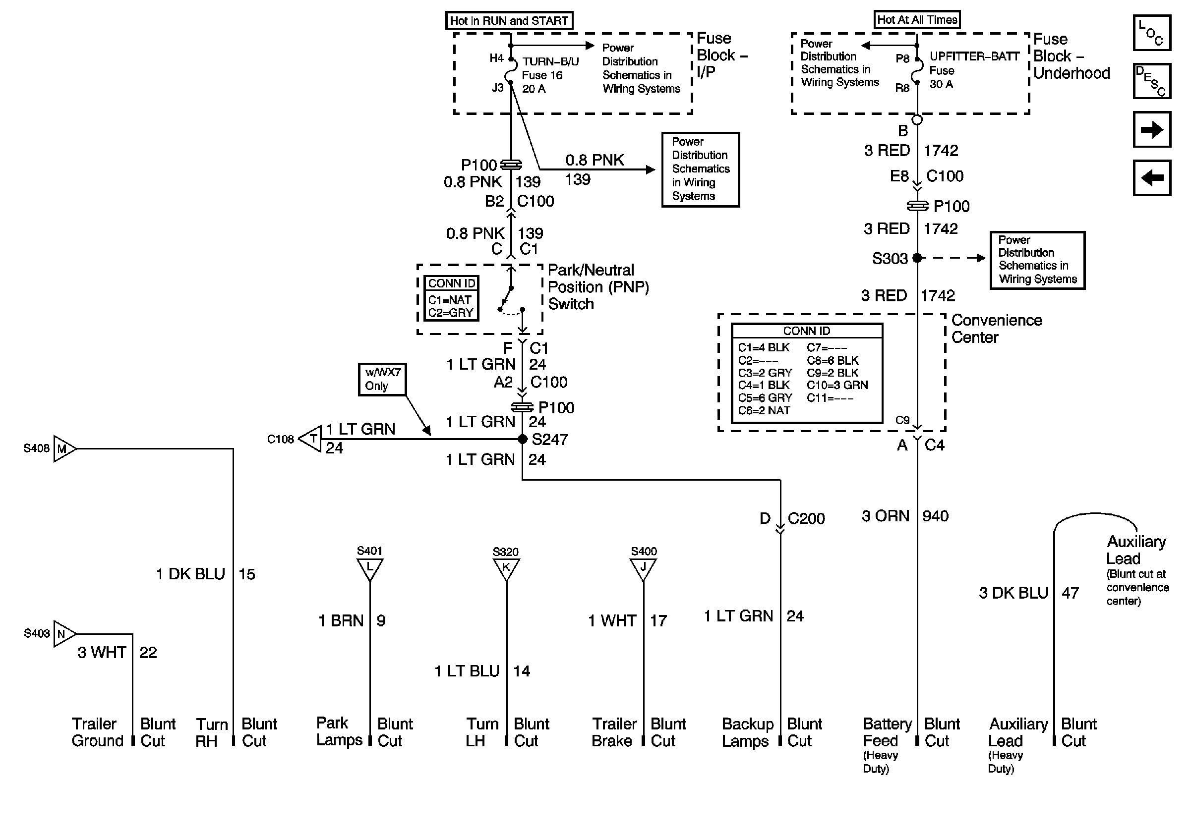
🢒 Trailer Wiring Harness Connections (VE1)
Trailer Wiring Harness Connections (VE1)
Trailer Wiring Harness Connections
Master Electrical Component List
Exterior Lighting Systems Description and Operation
Park Lamp Relay (VE1)
Tail/Stop and Turn Signal Lamps, License Lamp, CHMSL, and Backup Lamps(VE1)
IGN RUN and START Bus Bar
Gages, Air Bag, Turn, Back-up Fuses
Battery and Fuse Block - Underhood
Upfitter Battery and Upfitter Accy Fuse
Tail/Stop and Turn Signal Lamps, License Lamp, CHMSL, and Backup Lamps(VE1)
Backup Lamps (WX7)
Tail/Stop and Turn Signal Lamps, License Lamp, CHMSL, and Backup Lamps(VE1)
Tail/Stop and Turn Signal Lamps, License Lamp, CHMSL, and Backup Lamps(VE1)
Tail/Stop and Turn Signal Lamps, License Lamp, CHMSL, and Backup Lamps(VE1)
Tail/Stop and Turn Signal Lamps, License Lamp, CHMSL, and Backup Lamps(VE1)