GM Service Manual Online
For 1990-2009 cars only
Makes
🢒
Chevrolet
🢒
2002
🢒
Astro - 2WD
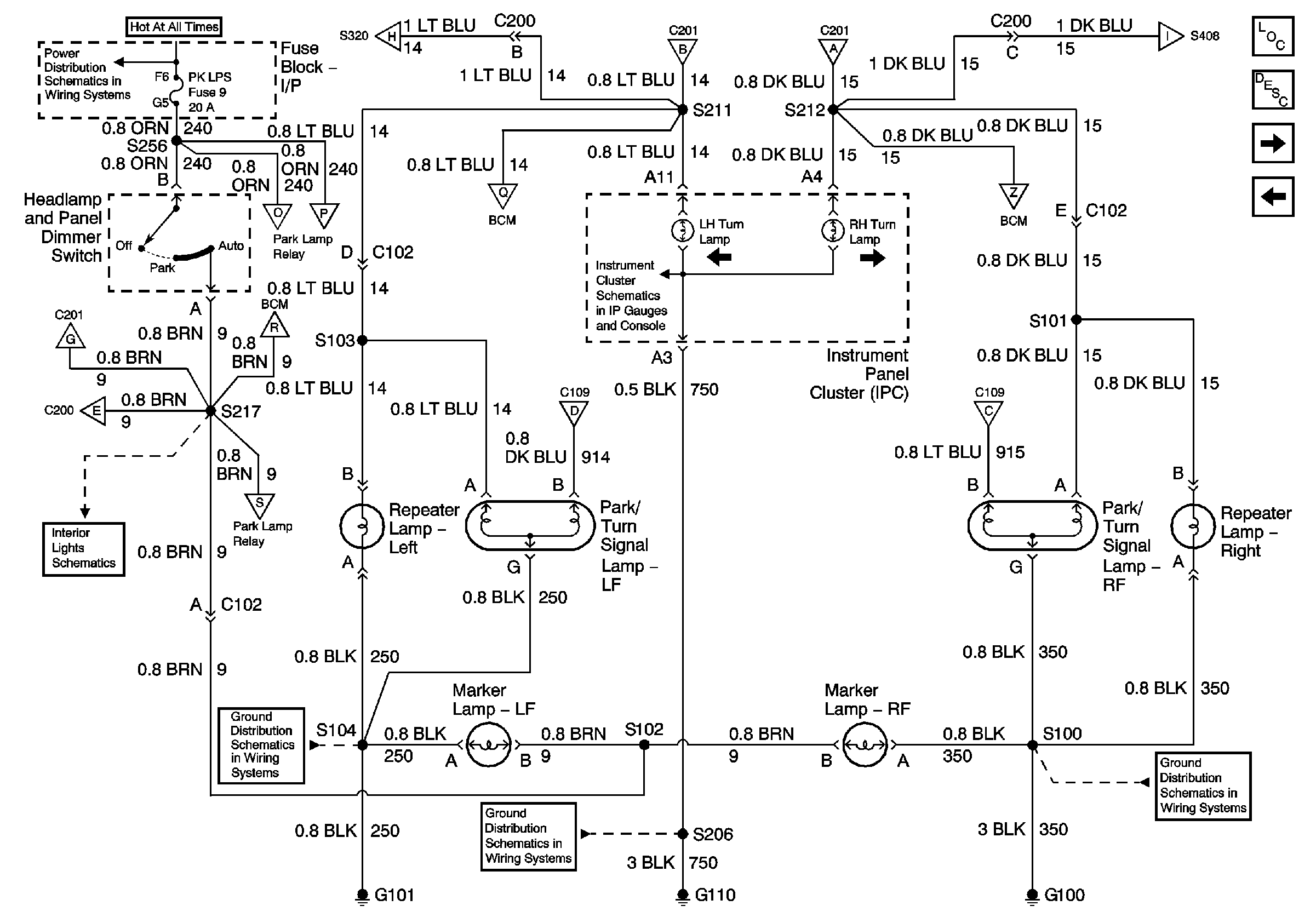
🢒 Turn Indicators, Front Park/Turn Signal Lamps, Repeater Lamps (VE1)
Turn Indicators, Front Park/Turn Signal Lamps, Repeater Lamps (VE1)
Turn Indicators, Front Park/Turn Signal Lamps, Repeater Lamps
Master Electrical Component List
Exterior Lighting Systems Description and Operation
Tail/Stop and Turn Signal Lamps, License Lamp, CHMSL, and Backup Lamps(VE1)
Turn Signal Switch, and Turn Signal/Hazard Flasher Module (VE1)
Battery and Lighting Fuse
Turn Signal Switch, and Turn Signal/Hazard Flasher Module (VE1)
Tail/Stop and Turn Signal Lamps, License Lamp, CHMSL, and Backup Lamps(VE1)
Power Window/Door Lock Switches
Park Lamp Relay (VE1)
Tail/Stop and Turn Signal Lamps, License Lamp, CHMSL, and Backup Lamps(VE1)
Park Lamp Relay (VE1)
G100, G106, and G302
Tail/Stop and Turn Signal Lamps, License Lamp, CHMSL, and Backup Lamps(VE1)
Park Lamp Relay (VE1)
Indicators
Turn Signal Switch, and Turn Signal/Hazard Flasher Module (VE1)
G110 (1 of 2)
Turn Signal Switch, and Turn Signal/Hazard Flasher Module (VE1)
Turn Signal Switch, and Turn Signal/Hazard Flasher Module (VE1)
Tail/Stop and Turn Signal Lamps, License Lamp, CHMSL, and Backup Lamps(VE1)
Park Lamp Relay (VE1)
Turn Signal Switch, and Turn Signal/Hazard Flasher Module (VE1)
G100, G102, and G103