GM Service Manual Online
For 1990-2009 cars only
Makes
🢒
Chevrolet
🢒
2002
🢒
Astro - 2WD
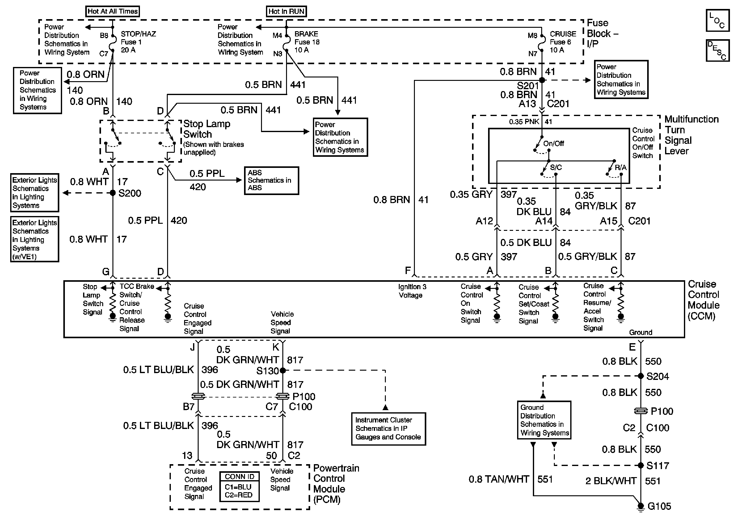
🢒 Cruise Control
Cruise Control
Master Electrical Component List
Cruise Control Description and Operation
Battery and Lighting Fuse
Stop/Hazard Fuse and Aux Power Fuse
Turn Signal Switch, and Turn Signal/Hazard Flasher Module
Turn Signal Switch, and Turn Signal/Hazard Flasher Module (VE1)
EBCM Power, Ground, and DLC
HTR-A/C, Brake, and Cruise Fuses
HTR-A/C, Brake, and Cruise Fuses
Gages
G105, and G107