GM Service Manual Online
For 1990-2009 cars only
Makes
🢒
Chevrolet
🢒
2002
🢒
Astro - 2WD
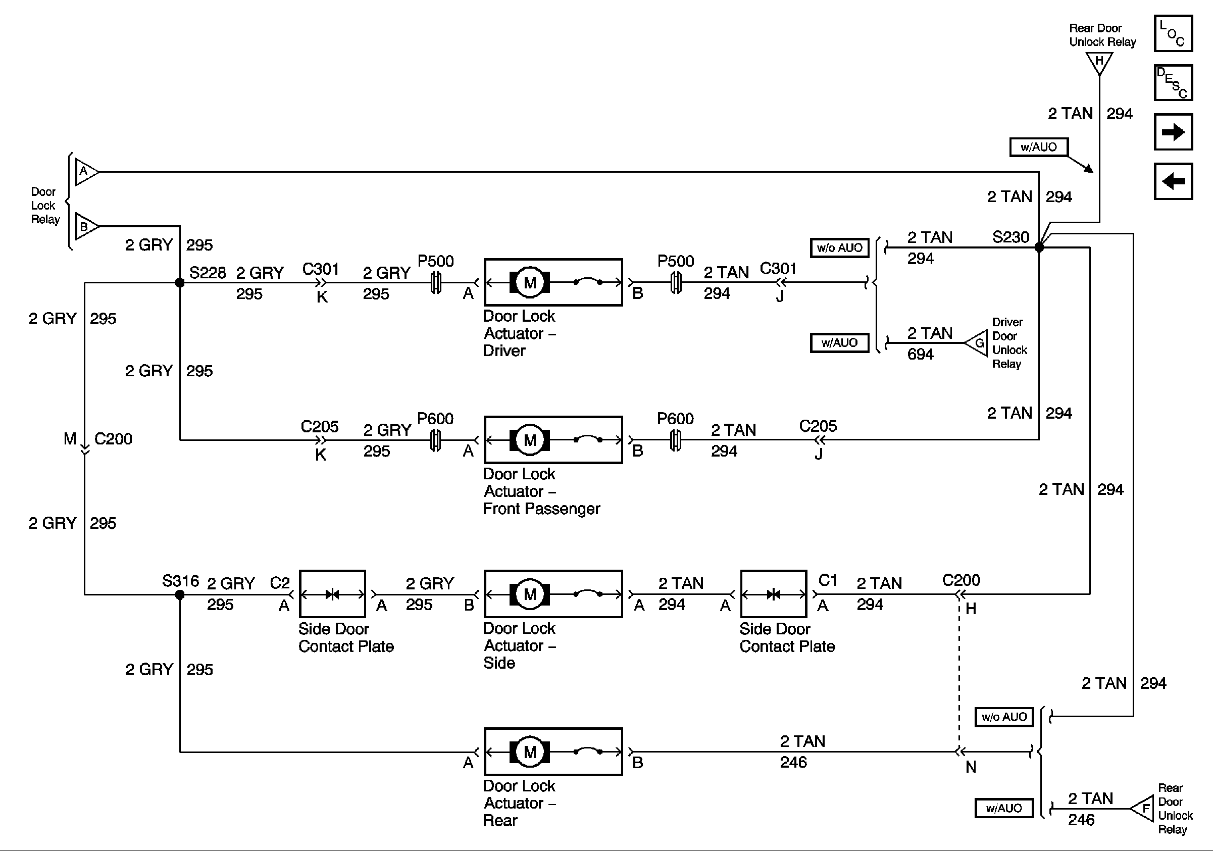
🢒 Door Lock Actuators (ZW9)
Door Lock Actuators (ZW9)
Door Lock Actuators (ZW9)
Master Electrical Component List
Power Door Locks Description and Operation
Door Lock Actuators (E54)
Door Lock Switches and Relay
Door Unlock Relays
Door Lock Switches and Relay
Door Unlock Relays
Door Unlock Relays