GM Service Manual Online
For 1990-2009 cars only
Makes
🢒
Chevrolet
🢒
2002
🢒
Astro - 2WD
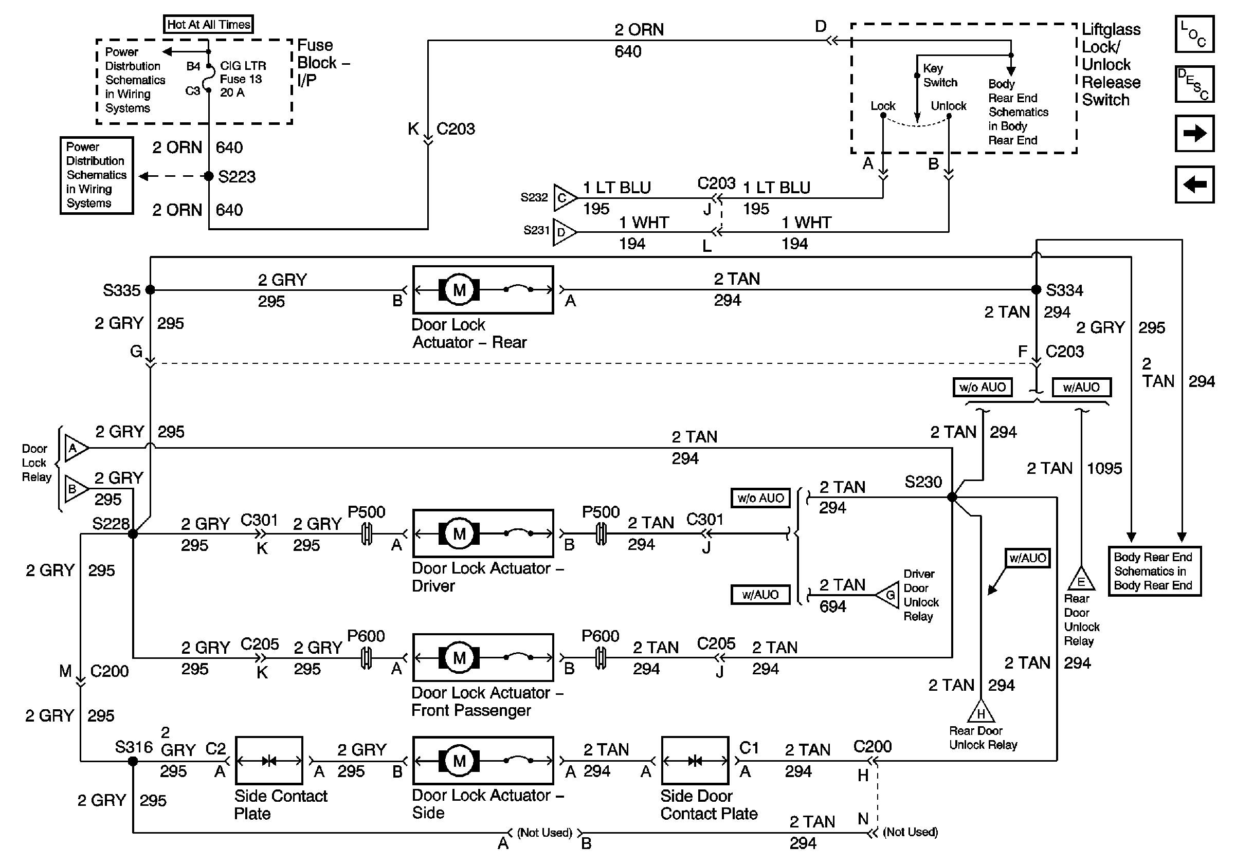
🢒 Door Lock Actuators (E54)
Door Lock Actuators (E54)
Door Lock Actuators (E54)
Master Electrical Component List
Power Door Locks Description and Operation
Door Unlock Relays
Door Lock Actuators (ZW9)
Battery and Lighting Fuse
Cig Lighter Fuse, Radio Battery Fuse and Crank Fuse
Door Lock Switches and Relay
Door Lock Switches and Relay
Liftglass Lock/Unlock Release Switch and Relay
Liftglass Lock/Unlock Release Switch and Relay
Door Unlock Relays
Door Unlock Relays