GM Service Manual Online
For 1990-2009 cars only
Makes
🢒
Chevrolet
🢒
2002
🢒
Astro - 2WD
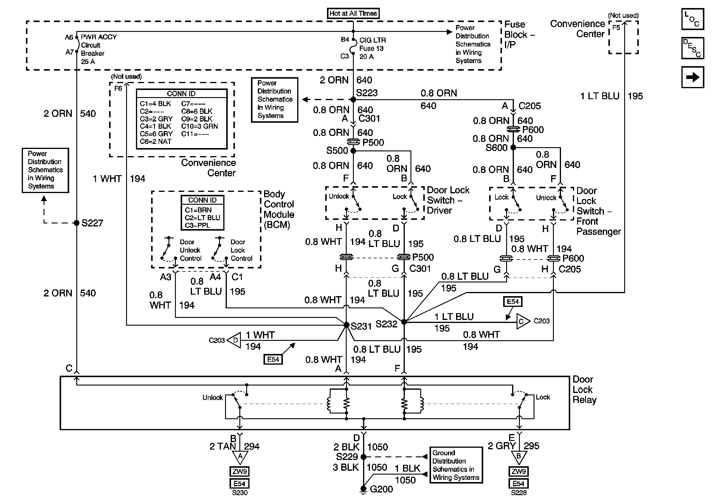
🢒 Door Lock Switches and Relay
Door Lock Switches and Relay
Door Lock Switches and Relay
Master Electrical Component List
Power Door Locks Description and Operation
Door Lock Actuators (ZW9)
Battery and Lighting Fuse
Cig Lighter Fuse, Radio Battery Fuse and Crank Fuse
Power Accessory Circuit Breaker
Door Lock Actuators (E54)
Door Lock Actuators (E54)
Door Lock Actuators (ZW9)
Door Lock Actuators (E54)
Door Lock Actuators (ZW9)
Door Lock Actuators (E54)