GM Service Manual Online
For 1990-2009 cars only
Makes
🢒
Chevrolet
🢒
1997
🢒
Astro - 4WD
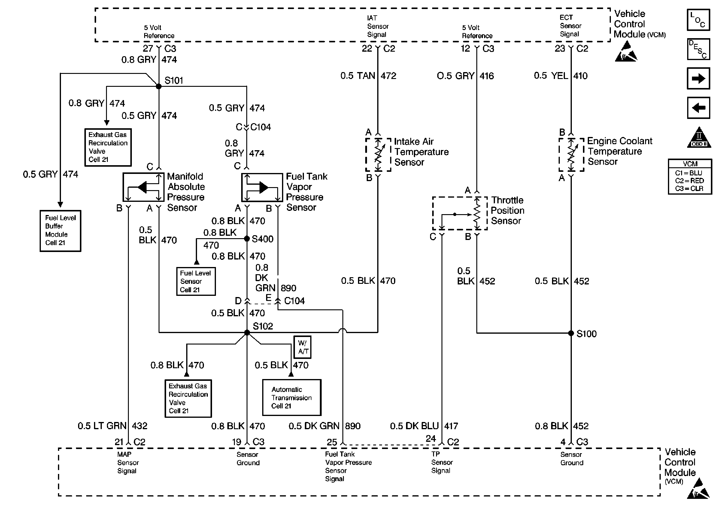
🢒 Sensors
Sensors
Sensors
Engine Controls Components
Vehicle Control Module VCM
Valve Controls
Fuel Injector Controls
OBD II Symbol Description Notice
Fuel Level Sensor
Valve Controls
Fuel Level Sensor
Valve Controls
Automatic Transmission Range Inputs
Handling Electrostatic Discharge Sensitive Parts Notice
Handling Electrostatic Discharge Sensitive Parts Notice