GM Service Manual Online
For 1990-2009 cars only
Makes
🢒
Chevrolet
🢒
2001
🢒
Blazer - 2WD
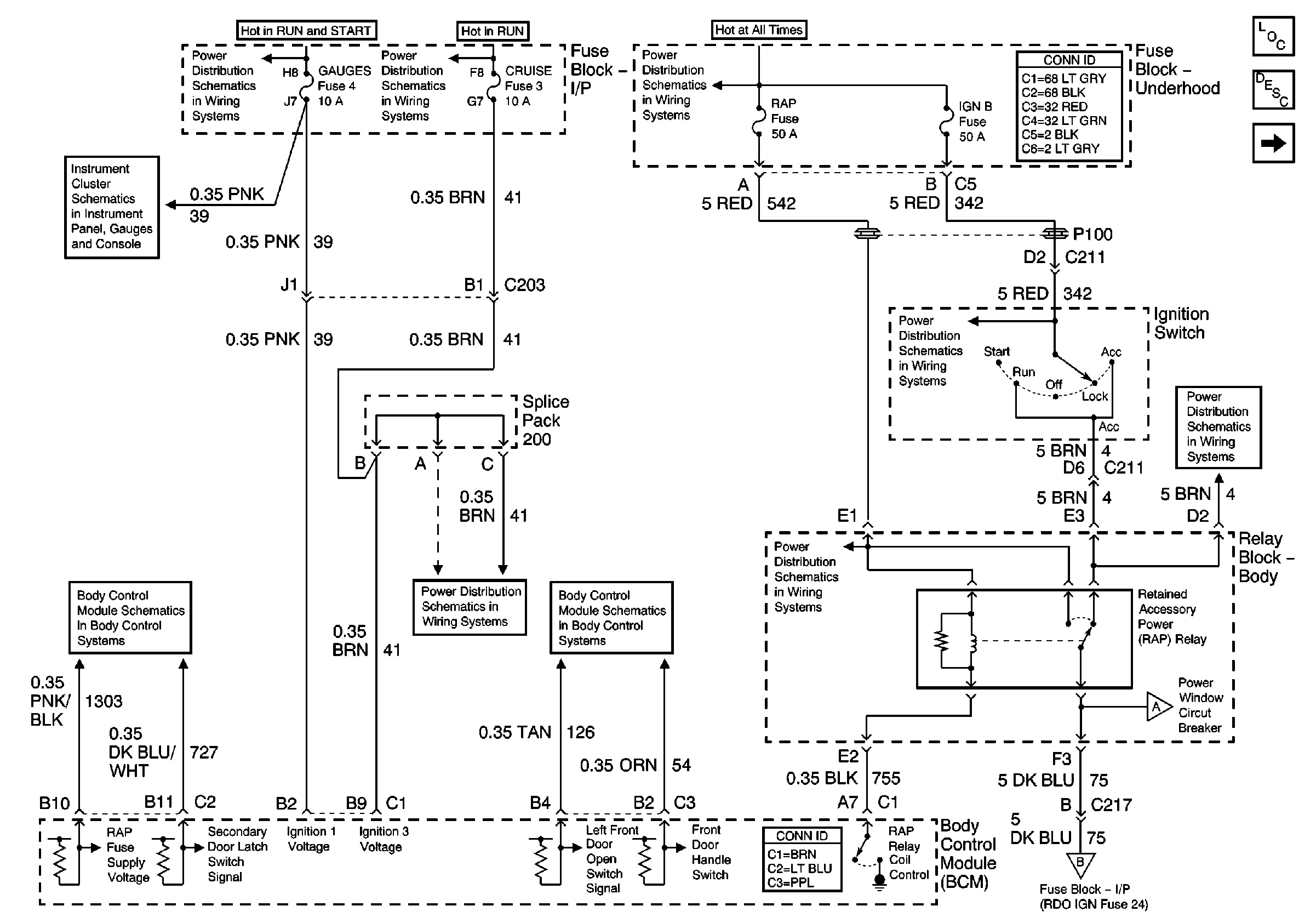
🢒 RAP Relay and Ignition Switch
RAP Relay and Ignition Switch
RAP Relay and Ignition Switch
Master Electrical Component List
Retained Accessory Power (RAP) Description and Operation
Door Lock and Window Switches
Ign RUN and START Bus Bar
Ign ACC, RUN and RAP Bus Bar
B+ Bus Bar
Power and Ground
Rear Jamb Switches, Ignition Key Alarm Switch
HVAC and CRUISE Fuses
Front Jamb Switches and Door Handle Switch
Ign ACC, RUN and RAP Bus Bar
Ign ACC, RUN and RAP Bus Bar
Ign ACC, RUN and RAP Bus Bar
Door Lock and Window Switches
RDO IGN and STR WHL RDO IGN Fuses