GM Service Manual Online
For 1990-2009 cars only
Makes
🢒
Chevrolet
🢒
2001
🢒
Blazer - 2WD
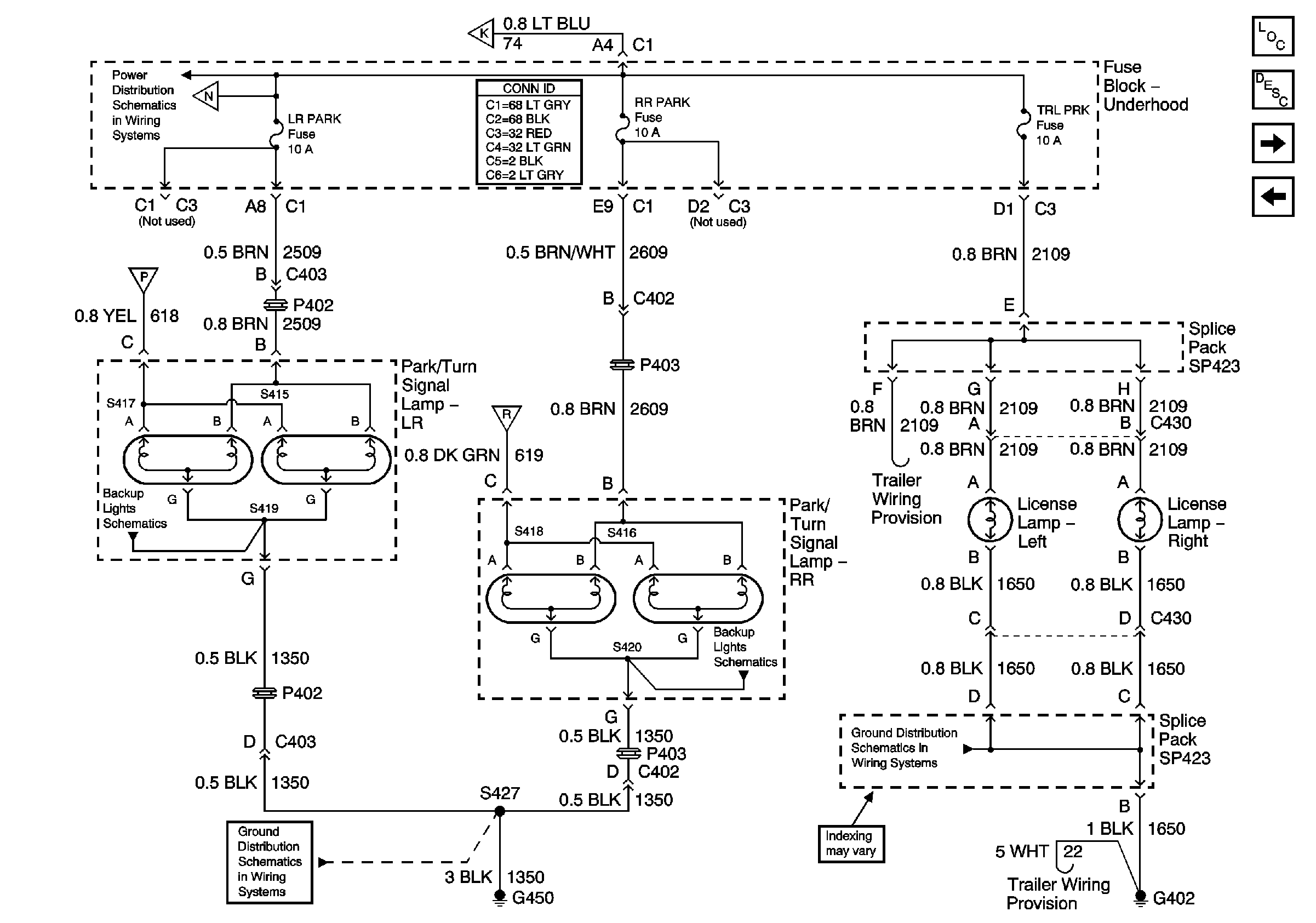
🢒 Park and License Lamps, Rear (Utility)
Park and License Lamps, Rear (Utility)
Park and License Lamps, Rear (Utility)
Master Electrical Component List
Exterior Lighting Systems Description and Operation
Tail, Stop and License Lamps (Export)
Park/Turn Signal Lamps, Marker and License Lamps, Rear(Pickup)
Park/Turn Signal Lamps, Rear (Utility)
FR PRK, LR PRK, RR PRK, TRL PRK Fuses and Fog Lamp Relay (Utility)
Turn Signal Lamps, Front and Turn Signal Fuses, Rear
Turn Fuses
Multifunction Switch (Turn Signal Switch) And Turn Signal/Hazard Flasher Module
G420,G450 and S427 (Utility w/ Endgate and Crew Cab)
Turn Fuses
Multifunction Switch (Turn Signal Switch) And Turn Signal/Hazard Flasher Module
G402 and G421 (Utility)