GM Service Manual Online
For 1990-2009 cars only
Makes
🢒
Chevrolet
🢒
2001
🢒
Blazer - 2WD
🢒 Turn Signal Lamps, Front and Turn Signal Fuses, Rear
Turn Signal Lamps, Front and Turn Signal Fuses, Rear
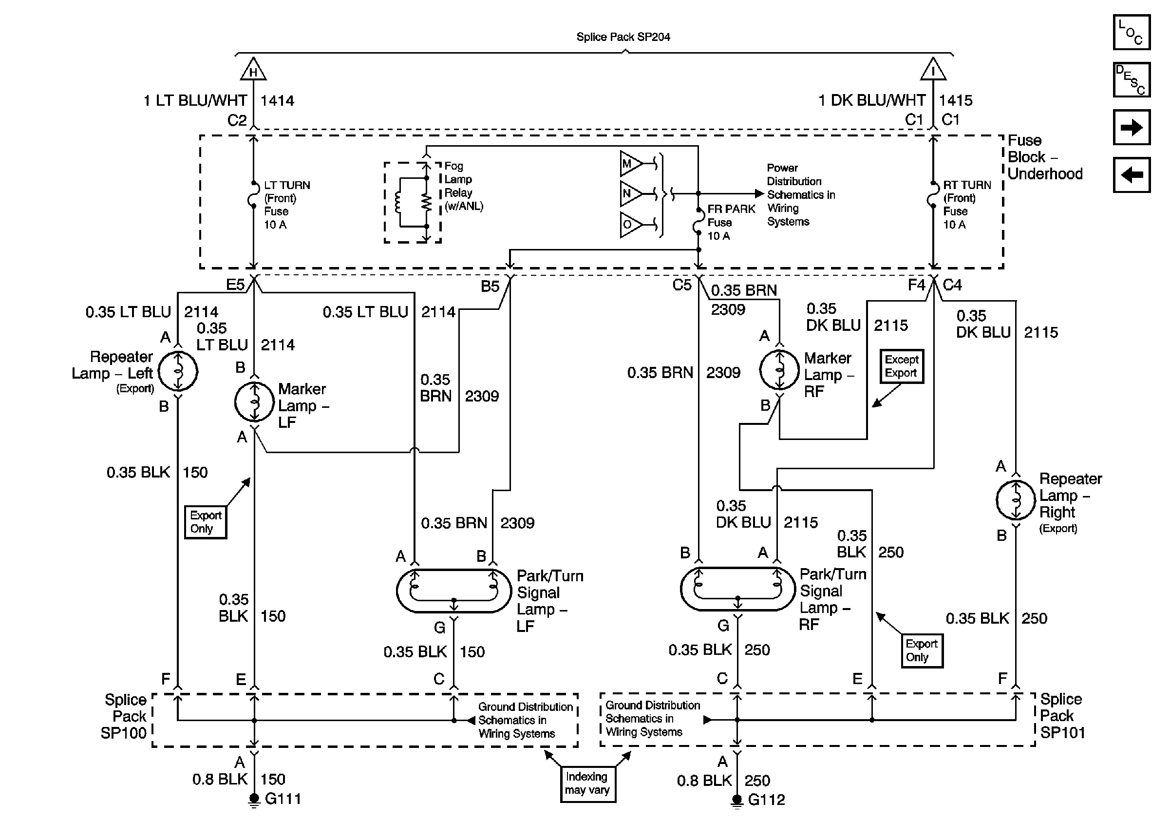
Park/Turn Signal Lamps, Marker Lamps, and Turn Signal Fuses, Front
Master Electrical Component List
Exterior Lighting Systems Description and Operation
Park/Turn Signal Lamps, Rear (Utility)
Turn Fuses
Instrument Cluster Turn Signal Indicators
Instrument Cluster Turn Signal Indicators
Park/Turn Signal Lamps, Marker and License Lamps, Rear(Pickup)
Park and License Lamps, Rear (Utility)
Tail, Stop and License Lamps (Export)
FR PRK, LR PRK, RR PRK Fuses and Fog Lamp Relay (Pickup)
G109, G111, G112 and G113 (Except Export)
G109, G111, G112 and G113 (Except Export)