GM Service Manual Online
For 1990-2009 cars only
Makes
🢒
Chevrolet
🢒
2001
🢒
Blazer - 2WD
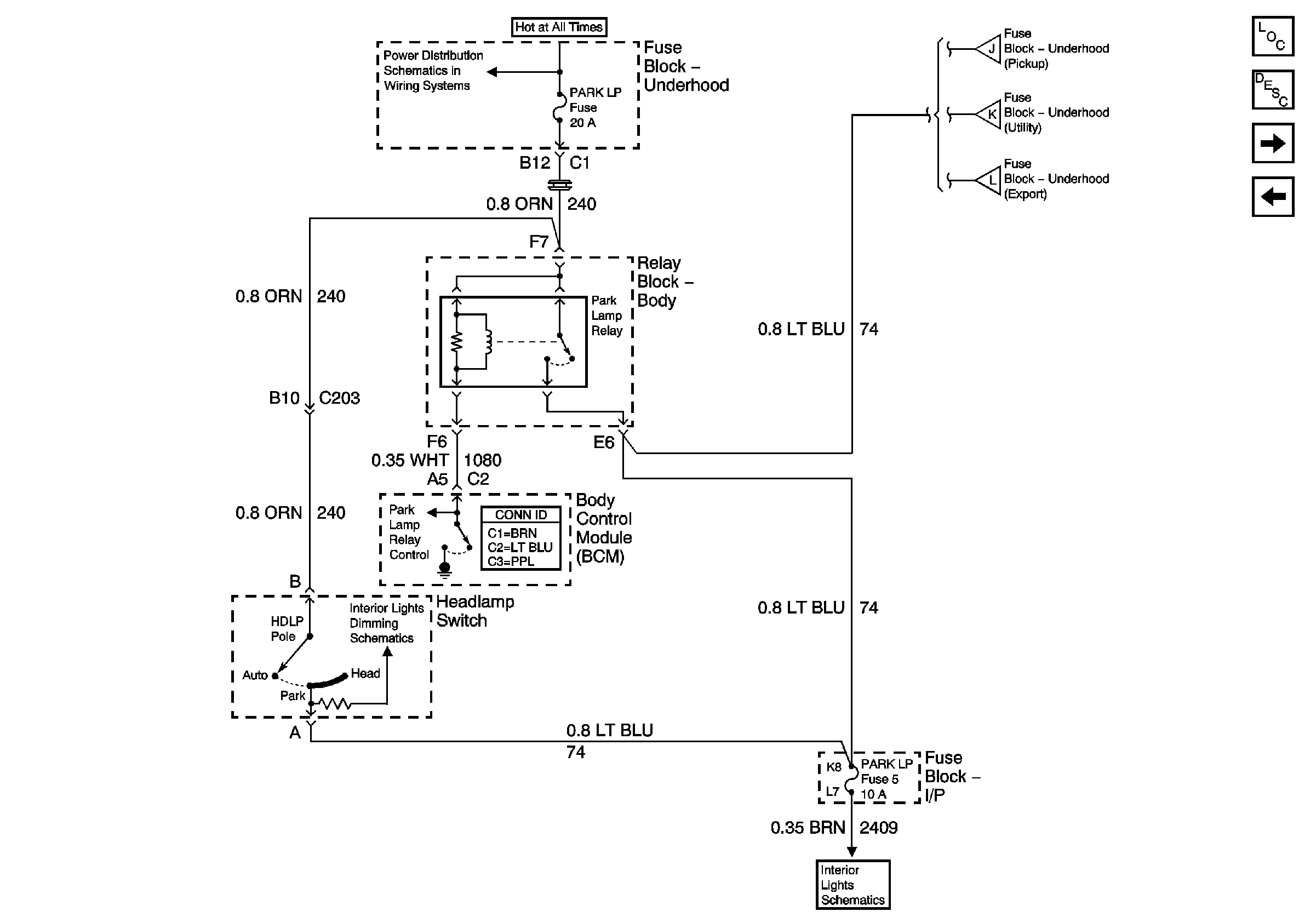
🢒 Park/Turn Signal Lamps, Rear (Utility)
Park/Turn Signal Lamps, Rear (Utility)
PARK LP Power
Master Electrical Component List
Exterior Lighting Systems Description and Operation
Park/Turn Signal Lamps, Marker and License Lamps, Rear(Pickup)
Turn Signal Lamps, Front and Turn Signal Fuses, Rear
B+ Bus Bar
Park/Turn Signal Lamps, Marker and License Lamps, Rear(Pickup)
Park and License Lamps, Rear (Utility)
Tail, Stop and License Lamps (Export)
Headlamp Switch
Headlamp Switch