GM Service Manual Online
For 1990-2009 cars only
Makes
🢒
Chevrolet
🢒
2001
🢒
Blazer - 2WD
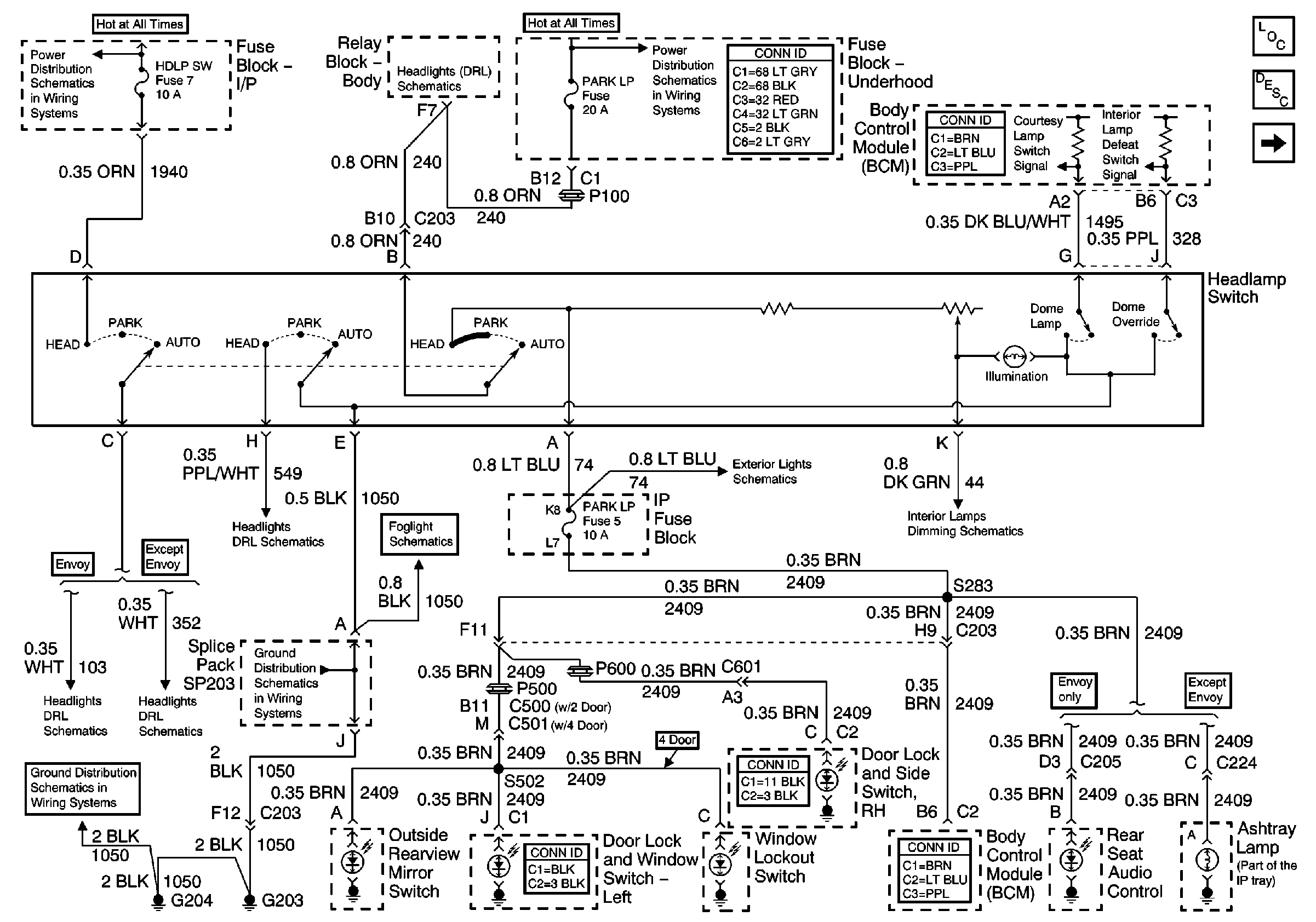
🢒 Headlamp Switch
Headlamp Switch
Headlamp Switch
Master Electrical Component List
Interior Lighting Systems Description and Operation
CTSY LP Fuse and Courtesy Lamp Relay
AUX PWR, RDO BATT and HDLP SW Fuses
Headlamp Grounding Relay and BCM (Except Envoy)
B+ Bus Bar
Headlamp Switch and BCM (Envoy/Diamond Edition 1SK)
Headlamp Switch, Ambient Light Sensor and BCM
Headlamp Switch, Ambient Light Sensor and BCM
Front
G203 and G204 (Pickup)
G203 and G204 (Pickup)
Park/Turn Signal Lamps, Marker and License Lamps, Rear(Pickup)
Headlamp Switch