GM Service Manual Online
For 1990-2009 cars only
Makes
🢒
Chevrolet
🢒
2001
🢒
Blazer - 2WD
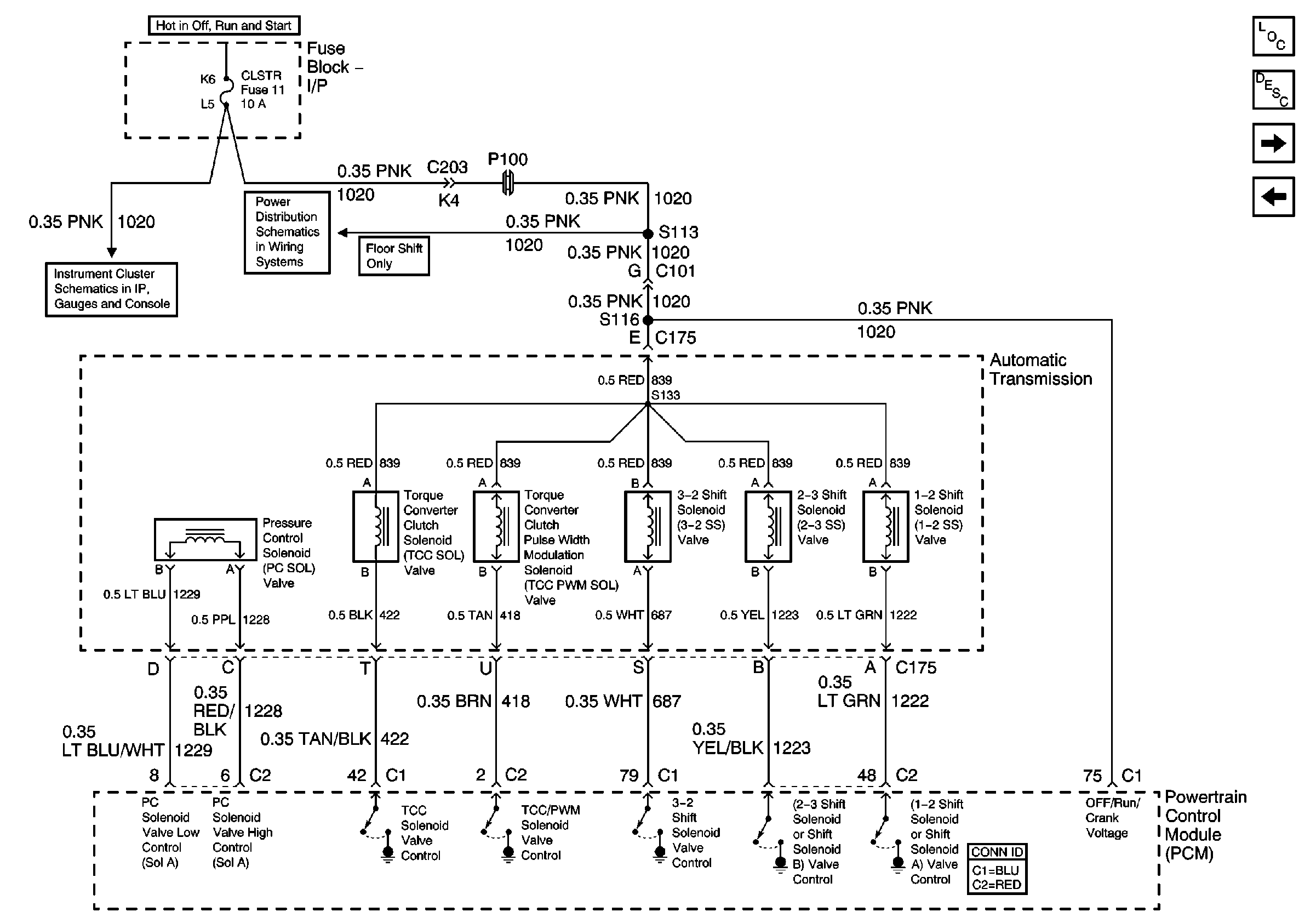
🢒 Valve Controls (4.3L)
Valve Controls (4.3L)
Valve Controls (4.3L)
Master Electrical Component List
Transmission Component and System Description
Switch Inputs and PNP Switch (4.3L)
Brake Switch, VSS Inputs (2.2L)
Power and Ground
CRANK and CLSTR Fuses