GM Service Manual Online
For 1990-2009 cars only
Makes
🢒
Chevrolet
🢒
2001
🢒
Blazer - 2WD
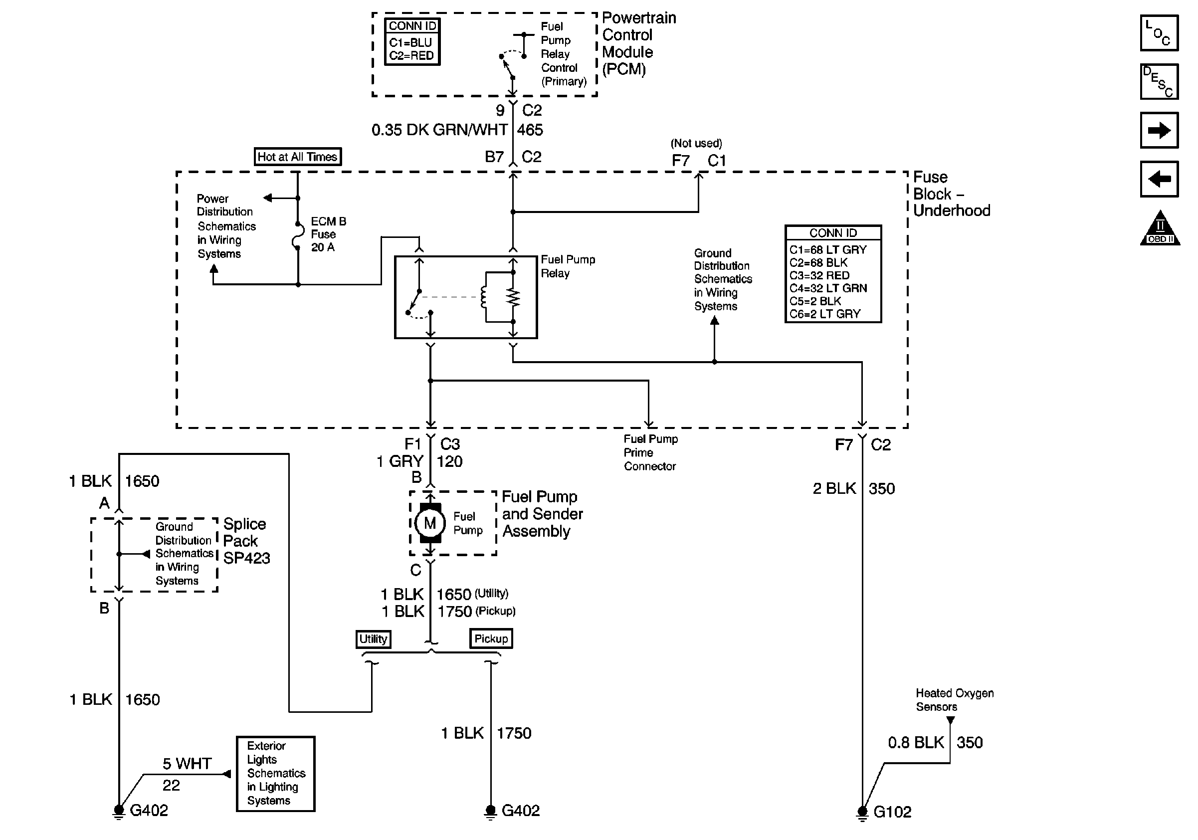
🢒 Fuel Pump Controls
Fuel Pump Controls
Fuel Pump Controls
Master Electrical Component List
Powertrain Control Module Description
Fuel Injection Controls
Ignition Controls
OBD II Symbol Description Notice
ECM B Fuse and Horn, Rear Defogger Relays
G102 (Except Export)
G402 and G421 (Utility)
Park and License Lamps, Rear (Utility)
Heated Oxygen Sensors