GM Service Manual Online
For 1990-2009 cars only
Makes
🢒
Chevrolet
🢒
2001
🢒
Blazer - 2WD
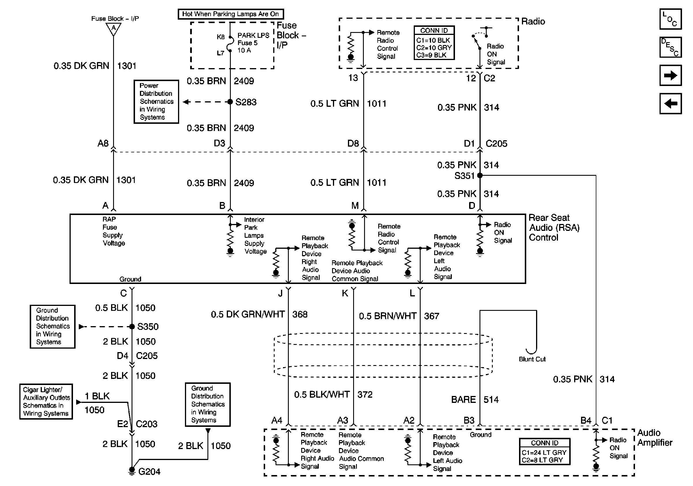
🢒 Rear Seat Audio (RSA) Control (Envoy)
Rear Seat Audio (RSA) Control (Envoy)
Rear Seat Audio (RSA) Control (Envoy)
Master Electrical Component List
Radio/Audio System Description and Operation w/o CTF
Radio Power and Ground and Speakers (w/o Audio Amplifier- Bravada)
Audio Amplifier, Right Channel Output (Chevy/GMC)
Power (Chevy/GMC)
ILLUM and PARK LP Fuses
G203 and G204 (Envoy)
Envoy Only
G203 and G204 (Envoy)