GM Service Manual Online
For 1990-2009 cars only
Makes
🢒
Chevrolet
🢒
2005
🢒
Blazer - 2WD
🢒
Body
🢒
Wiring Systems
🢒 Retained Accessory Power (RAP) Schematics
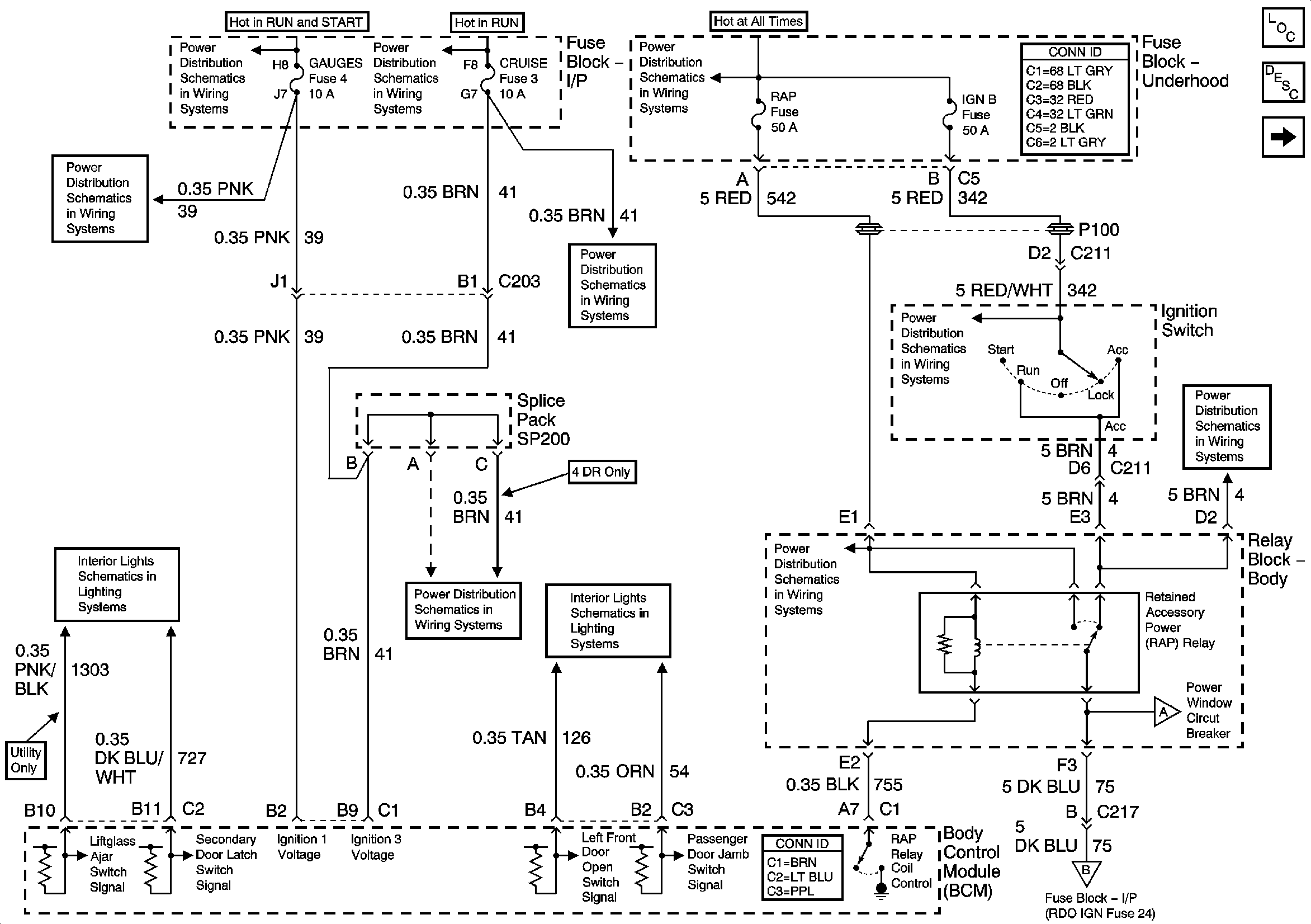
Figure
1:
RAP Relay and Ignition Switch
Master Electrical Component List
Retained Accessory Power (RAP) Description and Operation
Door Lock and Window Switches
TURN, SIR and GAGES Fuses
Rear Door Jamb and Liftglass Ajar Jamb Switches
TURN, SIR and GAGES Fuses
Ign ACC, RUN and RAP Bus Bar
HVAC and CRUISE Fuses
HVAC and CRUISE Fuses
Inadvertent Power Relay and Front Door Jamb Switches
B+ Bus Bar
Ign ACC, RUN and RAP Bus Bar
Ign ACC, RUN and RAP Bus Bar
Ign ACC, RUN and RAP Bus Bar
Door Lock and Window Switches
RDO IGN Fuse
Figure
2:
Door Lock and Window Switches
Master Electrical Component List
Retained Accessory Power (RAP) Description and Operation
RDO IGN Fuse
RAP Relay and Ignition Switch
RAP Relay and Ignition Switch
Figure
3:
RDO IGN Fuse
Master Electrical Component List
Retained Accessory Power (RAP) Description and Operation
Door Lock and Window Switches
RAP Relay and Ignition Switch