GM Service Manual Online
For 1990-2009 cars only
Makes
🢒
Chevrolet
🢒
2000
🢒
Blazer - 4WD - RHD
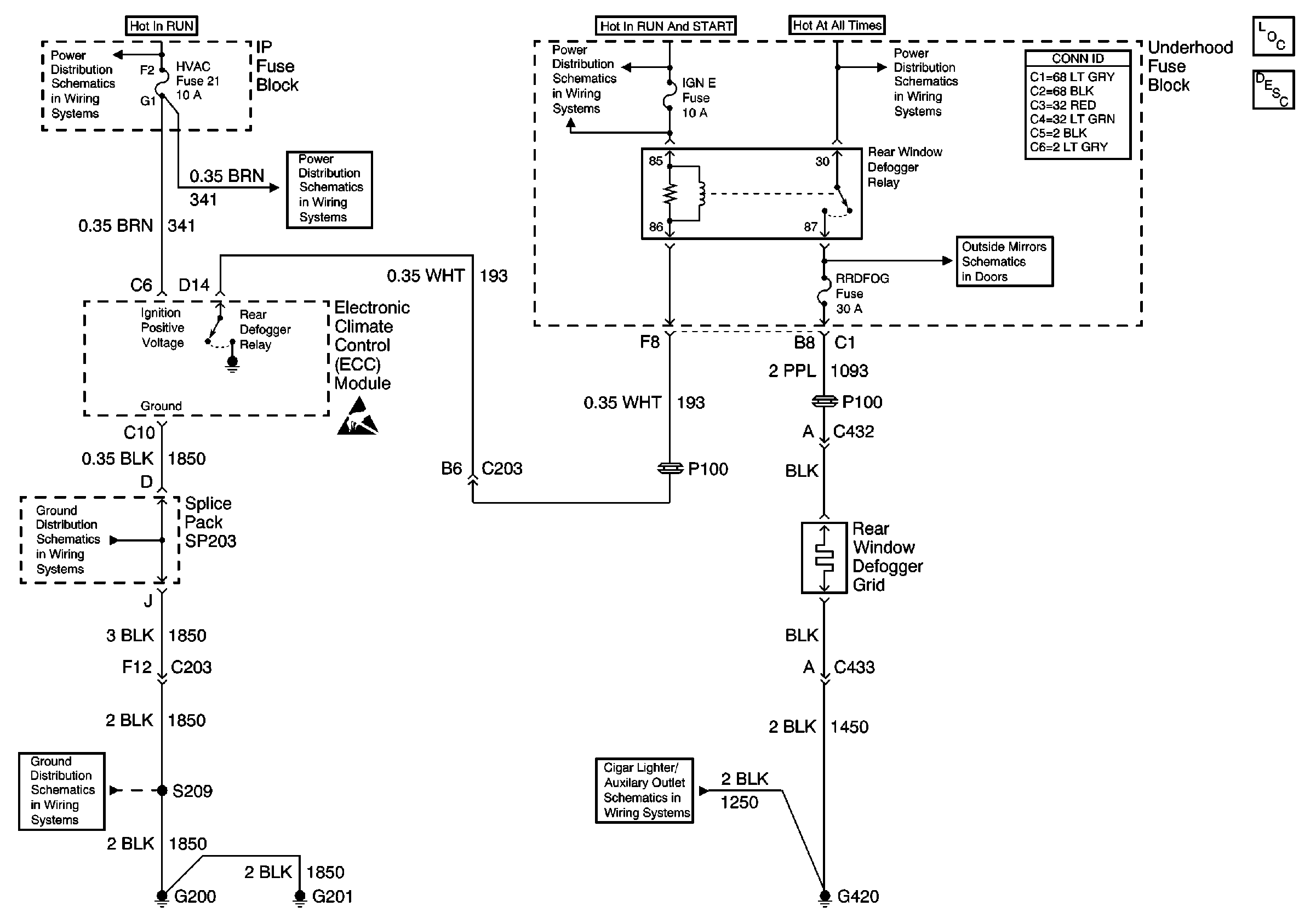
🢒 Defogger Schematic
Defogger Schematic
Stationary Windows Components
Rear Window Defogger Circuit Description
Ign RUN and START Bus Bar
SP203
G200 and G201
4WD and HVAC I Fuses
Handling ESD Sensitive Parts Notice
Ign START, RUN and ACC Bus Bar
Cigar Lighter/Auxiliary Outlets Schematics
Ign START, RUN and ACC Bus Bar
Power and Grounding Connector End Views
Heated Mirrors